Tesla Model Y 2021.7 ModelY-SOP3 Circuit Diagram PDF
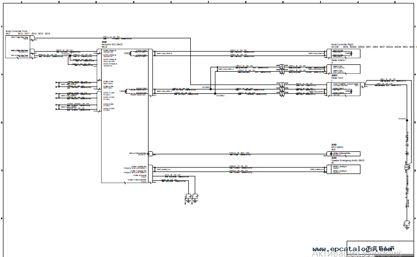
[2022]This PDF circuit manual covers a lot of pictures, illustrations, and diagrams for Tesla Model Y 2021.7 ModelY-SOP3. It allows you to troubleshoot and eliminate problems and conflicts. This pdf book covers charts and circuits, detailed descriptions, settings, schemes and diagrams for this machine. Please familiarize yourself and read each page in this electronic material especially the rules before you start working with your Tesla product.
The factory file is presented in PDF format, which greatly simplifies its use since it does not require installation (INSTANT DOWNLOAD). To work with the PDF manual, we recommend that you use the Adobe PDF Reader application.
Screenshots for Tesla Model Y 2021.7 ModelY-SOP3 Circuit Diagram PDF:
Our company provides for sale original spare part catalogs, workshop manuals, diagnostic software for all models of engines, cars, trucks, buses, forklifts, tractors, harvesters, cranes, buldozers, generators, construction and agricultural machines, motorcycles. To purchase a catalog online, please add the product to your cart, fill in the contact form online. Our managers proceed your order the same day.
Related products for Tesla Model Y 2021.7 ModelY-SOP3 Circuit Diagram PDF:
Tesla Model Y Owners Manual 2022 PDF
Factory file covers step-by-step service, safety rules, troubleshooting, specifications, repair, settings, technical data, and also, many illustrations, diiagrams.
50$
[2022]
|
Tesla Model X 12.2018 Noth America Owner’s Manual PDF
Electronic guide also covers safety rules, troubleshooting, detailed technical data, step by step instructions, specifications, operation, many diagrams, schemes.
50$
[2022]
|
Tesla Model X Owner’s Manual (2021+) PDF
In this electronic guide you can see many important pages with information about safety rules, troubleshooting, how to correct use, service, repair, settings.
50$
[2022]
|
Tesla Model X Alert Codes Manual
The purpose of this guide is to help specialists in the efficient use, maintenance, repair, and also, will help to better understand how to solve any problems.
50$
[2022]
|





