TCM Wheel Loader 860 Parts Manual PDF
[1984]We want to present this PDF Parts Manual that includes important parts information, special instructions, troubleshooting, different illustrations, and safety rules for the TCM Wheel Loader 860 model. The electronic guide covers technical data, detailed descriptions, general characteristics, settings, operation, transmission, a list of parts, service parts, a system section, many diagrams, different tables, and schemes.
Read this tutorial especially the rules, notes, and other advice to avoid any breakdowns, injuries, or damage. An online text comes in PDF format with 232 pages in English for reading. We recommend using Adobe PDF Reader, to be sure all images/graphics will display correctly. Pay Today and Download IMMEDIATELY!
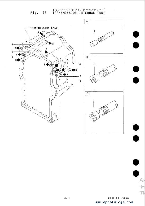
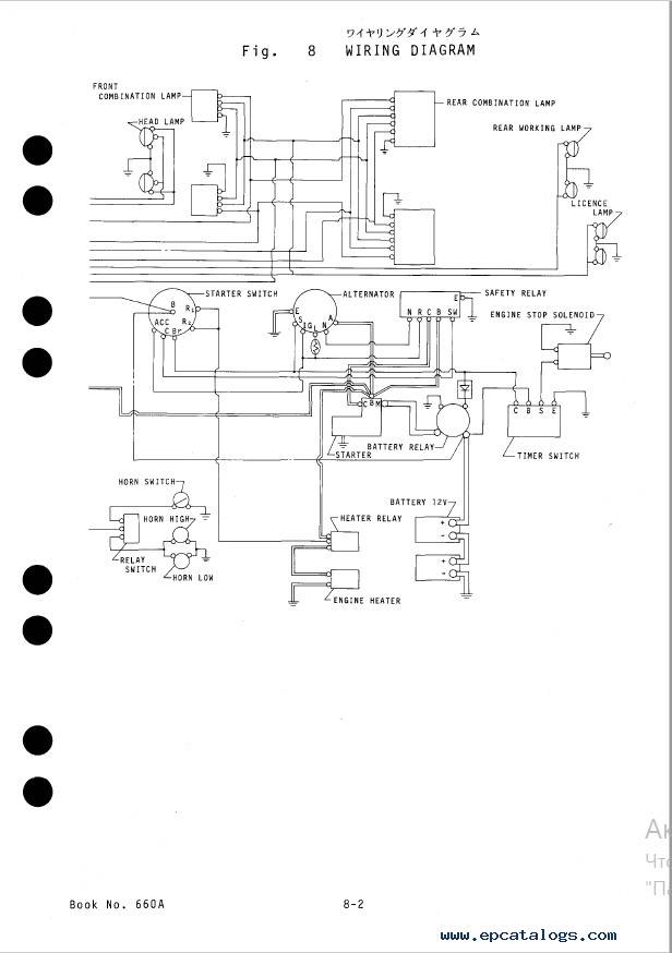
Screenshots for TCM Wheel Loader 860 Parts Manual PDF:
Our company provides for sale original spare part catalogs, workshop manuals, diagnostic software for all models of engines, cars, trucks, buses, forklifts, tractors, harvesters, cranes, buldozers, generators, construction and agricultural machines, motorcycles. To purchase a catalog online, please add the product to your cart, fill in the contact form online. Our managers proceed your order the same day.
Related products for TCM Wheel Loader 860 Parts Manual PDF:
TCM ForkLift EPC PDF
Spare parts catalog
100$
[01/2007]
|
TCM Diesel Engine OM460LA Daimler Chrysler Parts Manual PDF
Electronic guide covers information about detailed descriptions, parts lists, technical data, transmission, accessories, service parts, settings, system.
40$
[2006]
|
TCM Wheel Loader ZW310 Operational Principle Technical Manual PDF
The electronic guide contains detailed repair information, specifications, maintenance recommendations, safety rules, operation, settings.
35$
[2006]
|
TCM Wheel Loader ZW220, ZW250 Operational Principle Technical Manual
Electronic guide includes detailed instructions, descriptions, settings, operation information, technical data, troubleshooting, technical maintenance.
30$
[2006]
|




