Sany Tire roller SPR200C-8 Overall schematic diagram PDF
[2019]This Electronic Overall schematic diagram includes information about settings, important instructions, different diagrams and schemes, descriptions, and other material for the Sany Tire roller SPR200C-8 Model.
Table of Contents
1. Electrical Schematic Diagram
1.1 Electrical Schematic Diagram
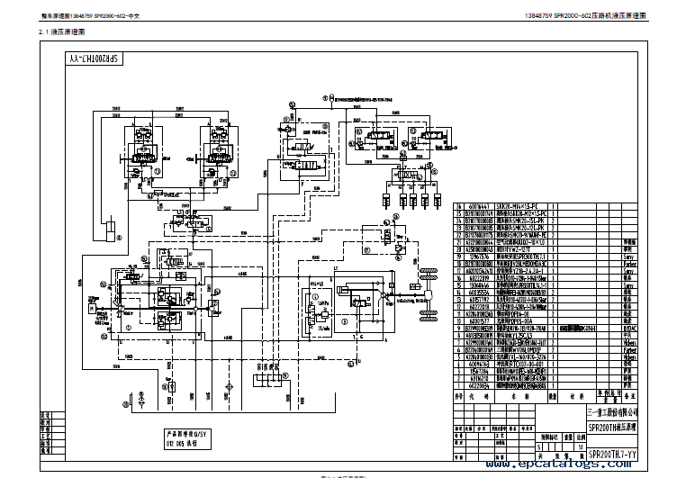
2. Hydraulic Schematic Diagram
2.1 Hydraulic Schematic Diagram
1 Electrical Schematic Diagram
1.1 Electrical Schematic Diagram
Finding the necessary information is quite simple and easy for every user to understand.
Features of the Manual
Format: PDF
Language: English
Pages: 10
Compatible with all versions of Windows, Mac, Linux, iPhone, iPad, and Android
All diagrams and schemes include important instructions for use, a detailed description of the electronic and hydraulic system, settings, and technical data for the Sany Tire roller SPR200C-8 model.
FAQs
How do I download the manual?
It is easy to purchase this product. Just click on the 'Buy Now' button and follow the instructions. After payment, you will get the link for downloading your PDF Manual. So, after a few minutes, you will get your guide, and you can start studying it.
Is the manual printable?
Yes, all pages are printable.
Still have questions?
If you have any questions or suggestions, write to us.
Screenshots for Sany Tire roller SPR200C-8 Overall schematic diagram PDF:
Our company provides for sale original spare part catalogs, workshop manuals, diagnostic software for all models of engines, cars, trucks, buses, forklifts, tractors, harvesters, cranes, buldozers, generators, construction and agricultural machines, motorcycles. To purchase a catalog online, please add the product to your cart, fill in the contact form online. Our managers proceed your order the same day.
Related products for Sany Tire roller SPR200C-8 Overall schematic diagram PDF:
Sany Wheel Loader SW075, SW085 Operation and Maintenance Manual PDF
The factory file includes safety rules, operation instructions, maintenance information, specifications, troubleshooting, many different tables.
39$
[]
|
Sany SY500C1I3KH Hydraulic Excavаtor body Parts Catalog PDF
The factory file consists of sections about technical data, accessories, fittings, electrical system assembly, diagrams, parts instructions.
39$
[]
|
Sany Tracked Hydraulic Excavator SY485H Service Manual PDF
The factory file consists of sections about descriptions, technical data, specifications, hydraulic and electrical diagrams.
39$
[2016]
|
Sany Engline Catalog Number SY485C1I3KHE01 Parts Manual PDF
The factory file covers sections about engine information, settings, a list of parts, many illustrations with descriptions, diagrams, schemes, and tables.
39$
[]
|




