Sany Telehandler STH0844 Electrical and Hydraulic Schematics Manual PDF
[2019]The complete schematics manual in PDF format was developed using high-quality standards for the Sany Telehandler STH0844 models. To obtain maximum performance, it is very important that the equipment is properly maintained and operated.
Table of Contents:
1 Hydraulic Schematics
1.1 Symbol Explanation
1.2 Hydraulic Schematic
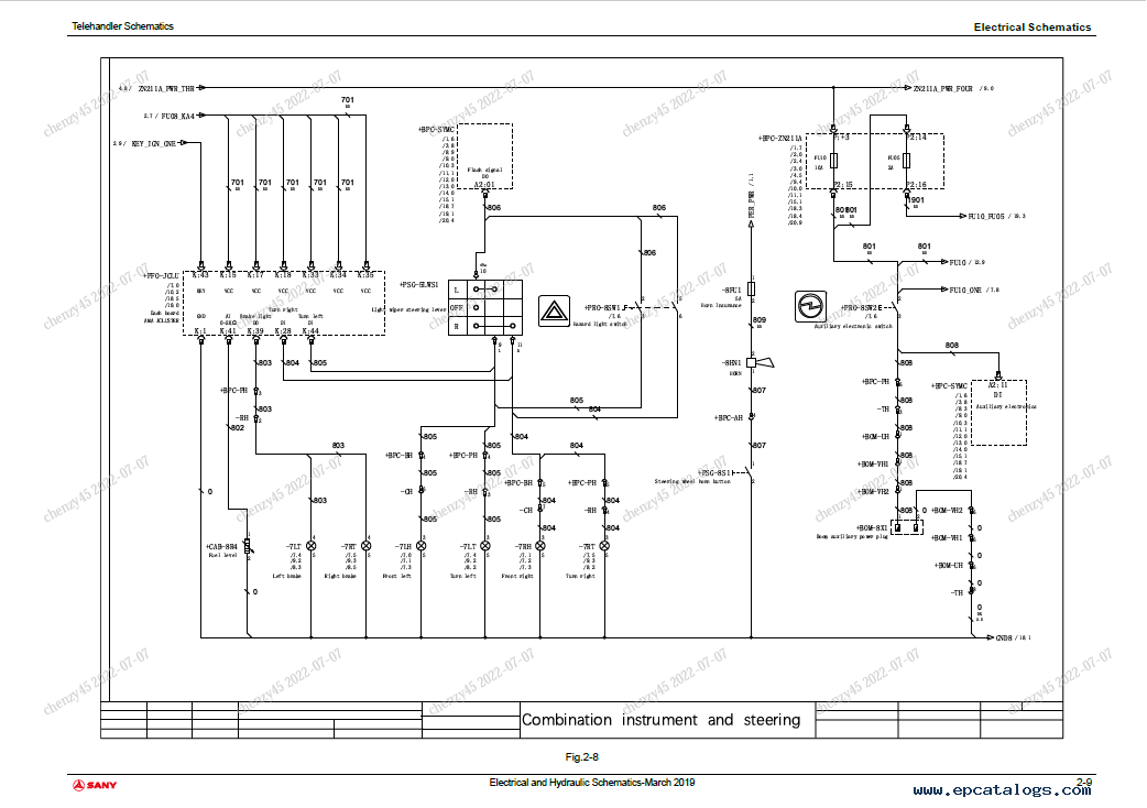
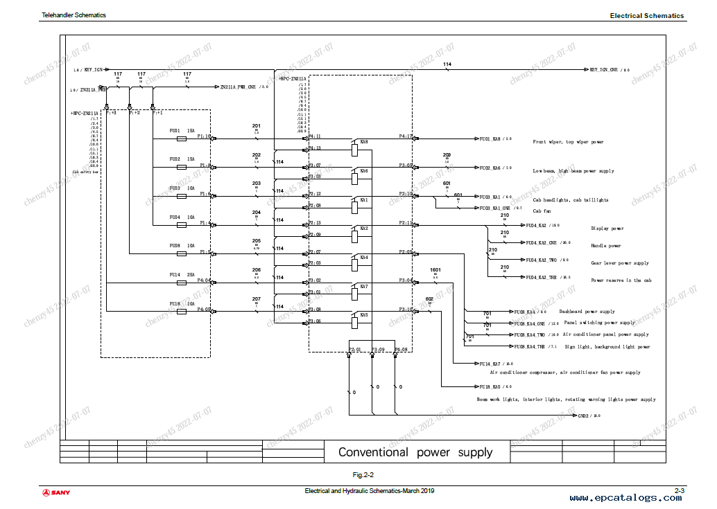
2 Electrical Schematics
2.1 Electrical Schematic
You should carefully read this electronic guide, to avoid any breakdowns, malfunctions, and injuries. This is the best online file, both for experienced craftsmen and for beginners, as prepared by experts in this field.
Features of the Manual
Format: PDF
Language: English
Pages: 27
Compatible with all versions of Windows, Mac, Linux, iPhone, iPad, and Android
Factory file information contains 27 pages with diagrams and schemes, setting, hydraulic schematics, symbol explanation, and hydraulic schematic, technical data, electrical schematic sand more.
FAQs
How do I download the manual?
With the help of this schematic manual, you will achieve maximum equipment life and reduce maintenance costs. To buy this tutorial, you need to click on the "buy" button. Within 7-10 minutes after the purchase, this material will be sent to your email address.
Is the manual printable?
You can easily print the desired image that will help your work.
Still have questions?
In case of any questions, please write to us. We will provide after-sales support.
Screenshots for Sany Telehandler STH0844 Electrical and Hydraulic Schematics Manual PDF:
Our company provides for sale original spare part catalogs, workshop manuals, diagnostic software for all models of engines, cars, trucks, buses, forklifts, tractors, harvesters, cranes, buldozers, generators, construction and agricultural machines, motorcycles. To purchase a catalog online, please add the product to your cart, fill in the contact form online. Our managers proceed your order the same day.
Related products for Sany Telehandler STH0844 Electrical and Hydraulic Schematics Manual PDF:
Sany Wheel Loader SW075, SW085 Operation and Maintenance Manual PDF
The factory file includes safety rules, operation instructions, maintenance information, specifications, troubleshooting, many different tables.
39$
[]
|
Sany SY500C1I3KH Hydraulic Excavаtor body Parts Catalog PDF
The factory file consists of sections about technical data, accessories, fittings, electrical system assembly, diagrams, parts instructions.
39$
[]
|
Sany Tracked Hydraulic Excavator SY485H Service Manual PDF
The factory file consists of sections about descriptions, technical data, specifications, hydraulic and electrical diagrams.
39$
[2016]
|
Sany Engline Catalog Number SY485C1I3KHE01 Parts Manual PDF
The factory file covers sections about engine information, settings, a list of parts, many illustrations with descriptions, diagrams, schemes, and tables.
39$
[]
|




