Sany Single Drum Roller SSR200C-8H Overall vehicle schematic diagram PDF
[2019]This PDF Manual is intended to service, repair, and troubleshoot the Sany Single Drum Roller SSR200C-8H model.
Table of Contents
1. Electrical Schematic Diagram
1.1 Electrical Schematic Diagram
1.2 Electrical Schematic Diagram
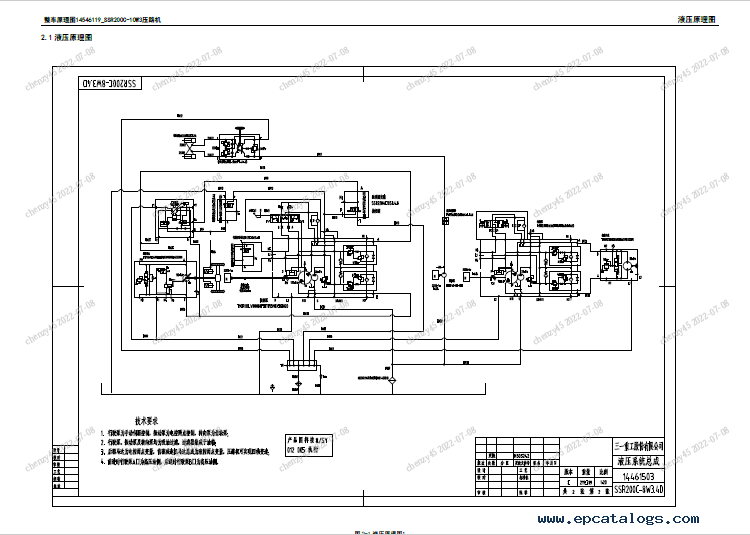
2. Hydraulic Schematic Diagram
2.1 Hydraulic Schematic Diagram
1. Electrical Schematic Diagram
1.1 Electrical Schematic Diagram
1.2 Electrical Schematic Diagram
Please, use these schematics in order to protect them from unforeseen technical breakdowns, damage, and heavy injuries. This electronic guide helps beginners and experienced professionals in the use and maintenance of the Sany Single Drum Roller SSR200C-8H model.
Features of the Manual
Format: PDF
Language: Chino
Pages: 11
Compatible with all versions of Windows, Mac, Linux, iPhone, iPad, and Android
All diagrams and schemes include important instructions for use, a detailed description of the electronic and hydraulic system, settings, and technical data for the Sany Single Drum Roller SSR200C-8H model.
FAQs
How do I download the manual?
Buying this electronic guide is very simple and fast: you need to click on the 'Buy Now' button and follow the further instructions. After payment of the PDF instruction, you will receive a download link. Please check your spam/junk folder if you don't see it in your inbox.
Is the manual printable?
Yes, all pages are printable.
Still have questions?
If any questions you have not understood, feel free to contact us. Our managers will be happy to answer all your questions.
Screenshots for Sany Single Drum Roller SSR200C-8H Overall vehicle schematic diagram PDF:
Our company provides for sale original spare part catalogs, workshop manuals, diagnostic software for all models of engines, cars, trucks, buses, forklifts, tractors, harvesters, cranes, buldozers, generators, construction and agricultural machines, motorcycles. To purchase a catalog online, please add the product to your cart, fill in the contact form online. Our managers proceed your order the same day.
Related products for Sany Single Drum Roller SSR200C-8H Overall vehicle schematic diagram PDF:
Sany Wheel Loader SW075, SW085 Operation and Maintenance Manual PDF
The factory file includes safety rules, operation instructions, maintenance information, specifications, troubleshooting, many different tables.
39$
[]
|
Sany SY500C1I3KH Hydraulic Excavаtor body Parts Catalog PDF
The factory file consists of sections about technical data, accessories, fittings, electrical system assembly, diagrams, parts instructions.
39$
[]
|
Sany Tracked Hydraulic Excavator SY485H Service Manual PDF
The factory file consists of sections about descriptions, technical data, specifications, hydraulic and electrical diagrams.
39$
[2016]
|
Sany Engline Catalog Number SY485C1I3KHE01 Parts Manual PDF
The factory file covers sections about engine information, settings, a list of parts, many illustrations with descriptions, diagrams, schemes, and tables.
39$
[]
|




