Sany Single drum roller SSR180-8 Vehicle schematic diagram PDF
[2019]This PDF Vehicle schematic diagram contains electrical diagrams for the Sany Single drum roller SSR180-8 Model. This catalog is intended for quality service and the prevention of malfunctions.
Model: SSR180-8
Contents
1. Electrical Schematic
1.1 Electrical Schematic
2. Hydraulic Schematic
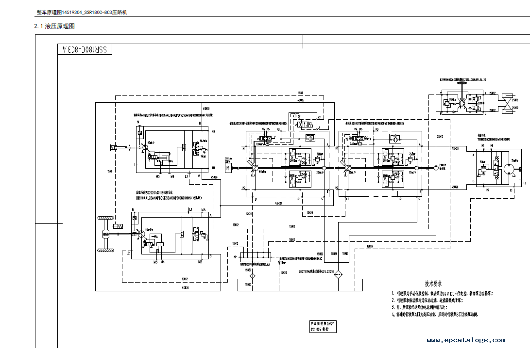
2.1 Hydraulic Schematic
Electrical Schematic Diagram
1 Electrical Schematic Diagram
1.1 Electrical Schematic Diagram
This guide helps beginners and experienced professionals in the use and maintenance of this equipment.
Features of the Manual
Format: PDF
Language: English
Pages: 10
Compatible with all versions of Windows, Mac, Linux, iPhone, iPad, and Android
All diagrams and schemes include important instructions for use, a detailed description of the electronic and hydraulic system, settings, and technical data for the Sany Single drum roller SSR180-8 model.
FAQs
How do I download the manual?
To purchase this pdf electronic guide, click the 'Buy Now' button. Fill out the proposed form, and within a few minutes, a letter with all the recommendations and installation instructions will be sent to your e-mail. Please check your spam/junk folder if you don't see it in your inbox.
Is the manual printable?
you can easily copy, save, and print the information you need. If necessary, you can print pages, pictures, charts, or the entire manual completely.
Still have questions?
In case of any questions, please write to us. We will provide after-sales support.
Screenshots for Sany Single drum roller SSR180-8 Vehicle schematic diagram PDF:
Our company provides for sale original spare part catalogs, workshop manuals, diagnostic software for all models of engines, cars, trucks, buses, forklifts, tractors, harvesters, cranes, buldozers, generators, construction and agricultural machines, motorcycles. To purchase a catalog online, please add the product to your cart, fill in the contact form online. Our managers proceed your order the same day.
Related products for Sany Single drum roller SSR180-8 Vehicle schematic diagram PDF:
Sany Wheel Loader SW075, SW085 Operation and Maintenance Manual PDF
The factory file includes safety rules, operation instructions, maintenance information, specifications, troubleshooting, many different tables.
39$
[]
|
Sany SY500C1I3KH Hydraulic Excavаtor body Parts Catalog PDF
The factory file consists of sections about technical data, accessories, fittings, electrical system assembly, diagrams, parts instructions.
39$
[]
|
Sany Tracked Hydraulic Excavator SY485H Service Manual PDF
The factory file consists of sections about descriptions, technical data, specifications, hydraulic and electrical diagrams.
39$
[2016]
|
Sany Engline Catalog Number SY485C1I3KHE01 Parts Manual PDF
The factory file covers sections about engine information, settings, a list of parts, many illustrations with descriptions, diagrams, schemes, and tables.
39$
[]
|




