Sany Single Drum Roller SSR150C-8 Electrical and Hydraulic Schemes PDF
[2020]This PDF Manual is intended to serve, repair, and troubleshoot the Sany Single Drum Roller SSR150C-8 model.
Table of Contents
1 Electrical Schematics
1.1 Electrical Schematics
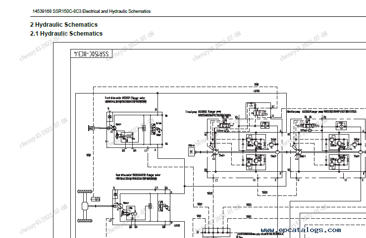
2 Hydraulic Schematics
2.1 Hydraulic Schematics
This is the best guide, both for experienced craftsmen and for beginners, as prepared by experts in this field. But important to read the section on safety rules.
Features of the Manual
Format: PDF
Language: English
Pages: 8
Compatible with all versions of Windows, Mac, Linux, iPhone, iPad, and Android
The electronic guide includes electrical schematics, hydraulic schematics, description, and high-quality illustrations to help you perform routine and preventive maintenance effectively.
FAQs
How do I download the manual?
To purchase a catalog, click Buy Now. Fill out the proposed form and within a few minutes, a letter with all the recommendations and installation instructions will be sent to your e-mail. Please check your spam/junk folder if you don't see it in your inbox.
Is the manual printable?
Yes, all pages are printable for ease of use.
Still have questions?
Any questions, you can ask our managers. They will definitely help you.
Screenshots for Sany Single Drum Roller SSR150C-8 Electrical and Hydraulic Schemes PDF:
Our company provides for sale original spare part catalogs, workshop manuals, diagnostic software for all models of engines, cars, trucks, buses, forklifts, tractors, harvesters, cranes, buldozers, generators, construction and agricultural machines, motorcycles. To purchase a catalog online, please add the product to your cart, fill in the contact form online. Our managers proceed your order the same day.
Related products for Sany Single Drum Roller SSR150C-8 Electrical and Hydraulic Schemes PDF:
Sany Wheel Loader SW075, SW085 Operation and Maintenance Manual PDF
The factory file includes safety rules, operation instructions, maintenance information, specifications, troubleshooting, many different tables.
39$
[]
|
Sany SY500C1I3KH Hydraulic Excavаtor body Parts Catalog PDF
The factory file consists of sections about technical data, accessories, fittings, electrical system assembly, diagrams, parts instructions.
39$
[]
|
Sany Tracked Hydraulic Excavator SY485H Service Manual PDF
The factory file consists of sections about descriptions, technical data, specifications, hydraulic and electrical diagrams.
39$
[2016]
|
Sany Engline Catalog Number SY485C1I3KHE01 Parts Manual PDF
The factory file covers sections about engine information, settings, a list of parts, many illustrations with descriptions, diagrams, schemes, and tables.
39$
[]
|





