Sany Motor Grader STG210-8 Electrical and Hydraulic Schematics PDF
[2019]This Electrical and Hydraulic Schematics contains Electrical and Hydraulic Schematics, detailed electrical wiring and hydraulic schematics, and notes for the Sany Motor Grader STG210-8 Models.
Table of Contents
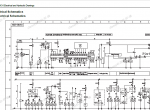
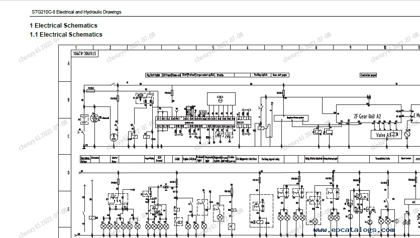
1 Electrical Schematics
1.1 Electrical Schematics
2 Hydraulic Schematics
2.1 Hydraulic Schematics
Please follow all the recommendations, rules, and notes in this tutorial to avoid any breakdowns, injuries, or damage. This information is presented not only for trained and qualified personnel but also for persons who do not have prior experience using this technique in this field.
Features of the Manual
Format: PDF
Language: English
Pages: 8
Compatible with all versions of Windows, Mac, Linux, iPhone, iPad, and Android
All pages with diagrams and schemes will help you quickly and easily familiarize yourself with your technic and understand all instructions in this manual.
FAQs
How do I download the manual?
You can receive this information in one second. Immediately after payment, we send you the online file by email to your email address within 1-10 minutes of your purchase. So please make sure your email address is correct.
Is the manual printable?
Yes, all pages are printable.
Still have questions?
If you have any questions or problems with downloading the file, you can write to us, and we will help you.
Screenshots for Sany Motor Grader STG210-8 Electrical and Hydraulic Schematics PDF:
Our company provides for sale original spare part catalogs, workshop manuals, diagnostic software for all models of engines, cars, trucks, buses, forklifts, tractors, harvesters, cranes, buldozers, generators, construction and agricultural machines, motorcycles. To purchase a catalog online, please add the product to your cart, fill in the contact form online. Our managers proceed your order the same day.
Related products for Sany Motor Grader STG210-8 Electrical and Hydraulic Schematics PDF:
Sany Wheel Loader SW075, SW085 Operation and Maintenance Manual PDF
The factory file includes safety rules, operation instructions, maintenance information, specifications, troubleshooting, many different tables.
39$
[]
|
Sany SY500C1I3KH Hydraulic Excavаtor body Parts Catalog PDF
The factory file consists of sections about technical data, accessories, fittings, electrical system assembly, diagrams, parts instructions.
39$
[]
|
Sany Tracked Hydraulic Excavator SY485H Service Manual PDF
The factory file consists of sections about descriptions, technical data, specifications, hydraulic and electrical diagrams.
39$
[2016]
|
Sany Engline Catalog Number SY485C1I3KHE01 Parts Manual PDF
The factory file covers sections about engine information, settings, a list of parts, many illustrations with descriptions, diagrams, schemes, and tables.
39$
[]
|





