Sany Crawler Hydraulic Excavator SY135C9I4K Shop Manual PDF
[2016]To your attention, we present you this Shop manual with important information and helpful diagrams and schemes for Sany Crawler Hydraulic Excavator SY135C9I4K model. This Electronic guide includes service instructions, repair material, troubleshooting, settings, and many more sections with information for this model.
Models covered:
SY135C9I4K
Contents:
1 Introduction
2 Shop Safety
3 Specifications
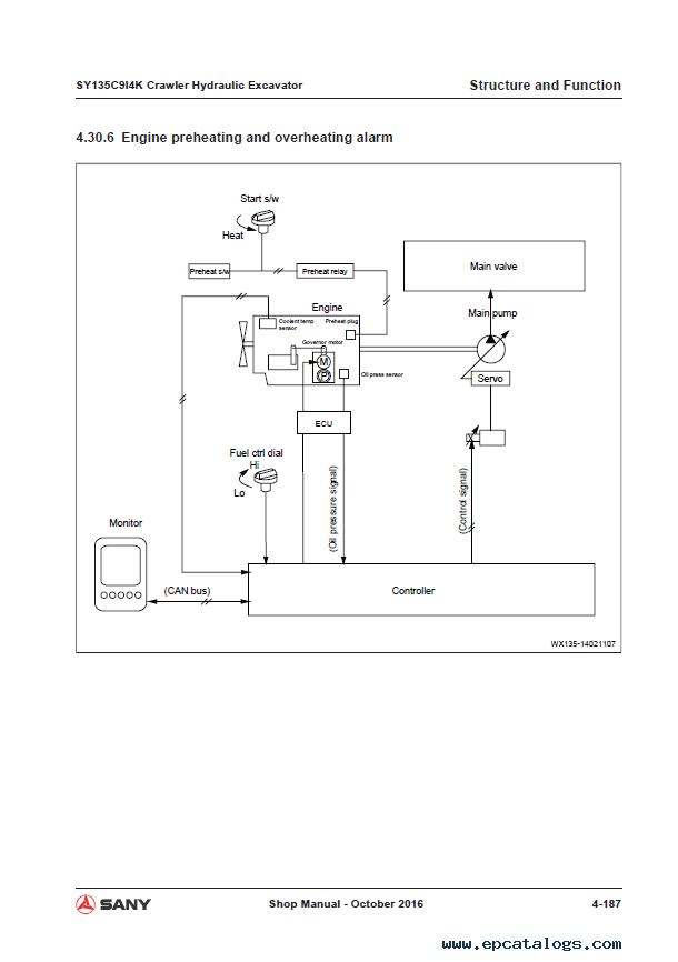
4 Structure, Function
5 Standard Values
6 Testing and Adjusting
7 Troubleshooting
8 Disassembly and Assembly
9 System Schematics
Try to follow rules and notes, advice, and recommendations to avoid any problems such as breakdowns, injuries, and damage. This comprehensive manual is suitable for professional technicians and novice mechanics alike.
Features of the Manual
Format: PDF
Language: English
Pages: 589
Compatible with all versions of Windows, Mac, Linux, iPhone, iPad, and Android
The shop manual contains sections about system schemes, disassembly and assembly sections, different illustrations, shop safety, notes, specifications, detailed descriptions, many diagrams, and different schemes.
FAQs
How do I download the manual?
To get this digital document, click the "Buy now" button and follow the further instructions. After payment, you will receive a link to download this PDF manual (INSTANT DOWNLOAD). The manual doesn't require installation. You need to open it as any other document.
Is the manual printable?
Yes, you can read, view, and print all text or separate pages.
Still have questions?
Feel free to contact us, if you have any problems with this parts manual. We will be happy to assist you and answer all your questions.
Screenshots for Sany Crawler Hydraulic Excavator SY135C9I4K Shop Manual PDF:
Our company provides for sale original spare part catalogs, workshop manuals, diagnostic software for all models of engines, cars, trucks, buses, forklifts, tractors, harvesters, cranes, buldozers, generators, construction and agricultural machines, motorcycles. To purchase a catalog online, please add the product to your cart, fill in the contact form online. Our managers proceed your order the same day.
Related products for Sany Crawler Hydraulic Excavator SY135C9I4K Shop Manual PDF:
Sany Wheel Loader SW075, SW085 Operation and Maintenance Manual PDF
The factory file includes safety rules, operation instructions, maintenance information, specifications, troubleshooting, many different tables.
39$
[]
|
Sany SY500C1I3KH Hydraulic Excavаtor body Parts Catalog PDF
The factory file consists of sections about technical data, accessories, fittings, electrical system assembly, diagrams, parts instructions.
39$
[]
|
Sany Tracked Hydraulic Excavator SY485H Service Manual PDF
The factory file consists of sections about descriptions, technical data, specifications, hydraulic and electrical diagrams.
39$
[2016]
|
Sany Engline Catalog Number SY485C1I3KHE01 Parts Manual PDF
The factory file covers sections about engine information, settings, a list of parts, many illustrations with descriptions, diagrams, schemes, and tables.
39$
[]
|




