Nissan Cube Model Z12 Series 2011 Service Manual PDF
[2011]This manual contains maintenance and repair procedure for the 2011 Nissan Cube Z12.
Manual contains contains detailed information about maintenance, technical specifications, schematics and diagrams, designed for vehicle Nissan.
This manual contains step by step instructions, detailed descriptions of repair procedures, the abundance of pictures, extensive background data repair for qualifying options to choose repair procedures.
Manual is designed to assist personnel of service stations, repair shops and car owners.
Service manual is a PDF file. We recommend to use Adobe PDF Reader, to be sure all images / graphics will display correctly.
QUICK REFERENCE INDEX:
- GENERAL INFORMATION
- General Information
- ENGINE
- Engine Mechanical
- Engine Lubrication System
- Engine Cooling System
- Engine Control System
- Fuel System
- Exhaust System
- Starting System
- Accelerator Control System
- TRANSMISSION & DRIVELINE
- Clutch
- Transaxle & Transmission
- Front Axle
- Rear Axle
- SUSPENSION
- Front Suspension
- Rear Suspension
- Road Wheels & Tires
- BRAKES
- Brake System
- Parking Brake System
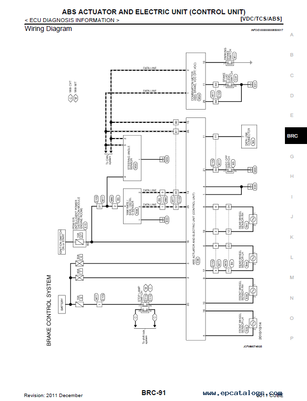
- Brake Control System
- STEERING
- Steering System
- Steering Control System
- RESTRAINTS
- Seat Belt
- Seat Belt Control System
- SRS Airbag
- SRS Airbag Control System
- VENTILATION, HEATER & AIR CONDITIONER
- Ventilation System
- Heater & Air Conditioning System
- Heater & Air Conditioning Control System
- BODY INTERIOR
- Interior
- Instrument Panel
- Seat
- Automatic Drive Positioner
- BODY EXTERIOR, DOORS, ROOF & VEHICLE SECURITY
- Door & Lock
- Security Control System
- Glass & Window System
- Power Window Control System
- Exterior
- Body Repair
- DRIVER CONTROLS
- Mirrors
- Exterior Lighting System
- Interior Lighting System
- Wiper & Washer
- Defogger
- Horn
- ELECTRICAL & POWER CONTROL
- Power Outlet
- Body Control System
- LAN System
- Power Control System
- Charging System
- Power Supply, Ground & Circuit Elements
- DRIVER INFORMATION & MULTIMEDIA
- Meter, Warning Lamp & Indicator
- Warning Chime System
- Audio, Visual & Navigation System
- CRUISE CONTROL & DRIVER ASSISTANCE
- Cruise Control System
- MAINTENANCE
- Maintenance
Screenshots for Nissan Cube Model Z12 Series 2011 Service Manual PDF:
Our company provides for sale original spare part catalogs, workshop manuals, diagnostic software for all models of engines, cars, trucks, buses, forklifts, tractors, harvesters, cranes, buldozers, generators, construction and agricultural machines, motorcycles. To purchase a catalog online, please add the product to your cart, fill in the contact form online. Our managers proceed your order the same day.
Related products for Nissan Cube Model Z12 Series 2011 Service Manual PDF:
Nissan FAST with Infiniti EPC 2019 Parts catalog incl Archive Models
The Factory Nissan EPC catalog contains useful information about cars Nissan, technical information on spare parts and accessories, books, spare parts, spare parts management.
100$
[02/2019]
|
Nissan UD Trucks 4x2 Forward Control 2005-2007 Service Manual PDF
Service manual includes service and repair information, diagrams, schematics, specifications for Nissan UD Trucks 4x2 Forward Control.
100$
[2005-2007]
|
Nissan/Infinity EPC LHD FULL 2014
Nissan/Infinity EPC LHD FULL is a full catalog of original spare parts and parts for cars of all models with the left handed drive: EL, GL, USA, CA.
100$
[01/2014]
|
Nissan AR 2013 Parts Catalog
Catalog Nissan AR 2013 contains complete technical information on spare parts, spare parts books, installation instructions, technical specifications and other information.
50$
[06/2013]
|





