Manitou Forklift MR206EN Repair Manual PDF
[]This Repair Manual includes detailed instructions, technical data, maintenance, service infromation, repair instructions, different diagrams, descriptions, general characteristics, troubleshooting procedures, accessories, transmission, safety rules for Manitou Forklift MR206EN. In addiotion, you can see many diagrams and schemes, tables and other helpful screenshots.
Please, be attentive and read all factory catalog especially the rules, and notes, advice and recommendations to avoid any breakdowns, damage, or injuries when you work with this Manitou Forklift MR206EN.
The Online text comes in PDF format with 535 pages in the English, Italian, French, Spanish, German languages, which are printable, save, and view. We recommend to use Adobe PDF Reader, to be sure all images / graphics will display correctly.
Table of Contents
GROUP 00 General characteristics and safety
GROUP 10 Engine
GROUP 20 Transmission
GROUP 30 Axle
GROUP 40 Brake
GROUP 50 Boom
GROUP 70 Hydraulic
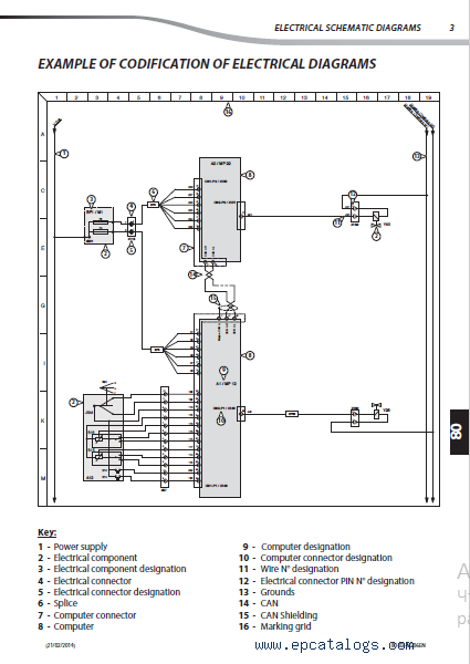
GROUP 80 Electricity
GROUP 85 Driver's cab
GROUP 90 Frame - Body
GROUP 110 Options- Attachments
Screenshots for Manitou Forklift MR206EN Repair Manual PDF:
Our company provides for sale original spare part catalogs, workshop manuals, diagnostic software for all models of engines, cars, trucks, buses, forklifts, tractors, harvesters, cranes, buldozers, generators, construction and agricultural machines, motorcycles. To purchase a catalog online, please add the product to your cart, fill in the contact form online. Our managers proceed your order the same day.
Related products for Manitou Forklift MR206EN Repair Manual PDF:
![]()
Manitou Forklift Parts Catalog + Service + Repair Manuals
Manitou Forklift spare parts catalogue, repair manuals, maintenance, service manuals
100$
[01/2007]
|
Manitou Forklift CD47824 Parts Catalog PDF
The electronic guide includes safety rules, a list of parts, service parts, operation, settings, troubleshooting, settings, accessories, transmission, hydraulics.
30$
[]
|
Manitou Forklift CD547014 Repair Manual PDF
Electronic guide contains sections about technical data, transmission, repair instructions, safety rules, maintenance procedures, hydraulics, electricity.
49$
[]
|
Manitou Forklift CD547049 Parts Catalog PDF
Electronic guide covers sections about safety rules, operation instruction, technical data, transmission, general characteristics, many pictures, different tables.
30$
[]
|





