Kubota BX24D Tractor Parts Manual PDF
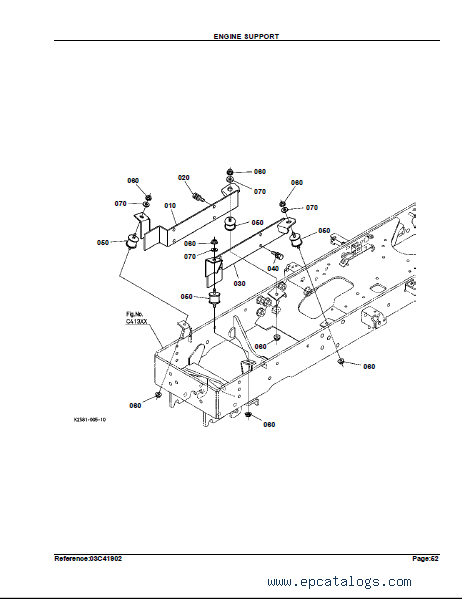
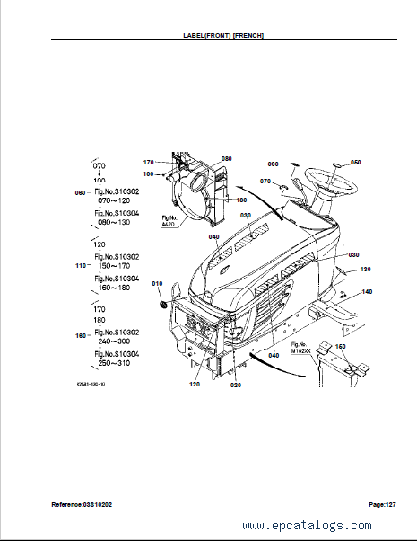
[]We want to provide the Parts Manual with important parts material, step by step instructions, detailed description, and different helpful illustrations for Kubota BX24D Tractor. Electronic guide includes general characteristics, safety section, setting information, service parts, transmission, accessories, operation, troubleshooting, a list of parts, technical data, different schemes, and diagrams.
The main thing is to read and follow all the rules, notes and recommendations for using this Kubota BX24D Tractor before starting work with it. An online text comes in PDF format with 281 pages in the English language. You can work with this tutorial after installing Adobe PDF Reader.
Screenshots for Kubota BX24D Tractor Parts Manual PDF:
Our company provides for sale original spare part catalogs, workshop manuals, diagnostic software for all models of engines, cars, trucks, buses, forklifts, tractors, harvesters, cranes, buldozers, generators, construction and agricultural machines, motorcycles. To purchase a catalog online, please add the product to your cart, fill in the contact form online. Our managers proceed your order the same day.
Related products for Kubota BX24D Tractor Parts Manual PDF:
Kubota Engines spare parts catalog
Kubota Engines is a catalog of original spare parts that consists of a comprehensive directory containing full technical information about parts and accessories, parts book, parts manuals, intended for engines of Kubota.
150$
[01/2011]
|
Kubota Engines Repair
Repair Manual Engine Kubota dealer documentation is a directory, which contains guidance on repair and maintenance, provides a complete description of the diagnosis, including moments of delays, the process of assembly and disassembly of the engine and other units and units, all electrical devices and control units, the necessary special tool as well as other information. The electronic Kubota Engines Repair Manual contains technical information on these engine models, Kubota - 03-M-E2B, 03-M-E3B SERIES, 03-M-DI-E3B SERIES, 03-M-E3BG SERIES, V3300-E2B, V3300- T-E2B, V3-E3B SERIES, V3-E3CB SERIES, V3-E3BG SERIES, 03-M-E3B Series, 03-M-DI-E3B Series, 03-M-E3BG Series.
150$
[1/2011]
|
Kubota KX161
Kubota KX161 electronic catalog is a directory that contains a detailed list of spare parts and accessories of different models of excavators Kubota.
60$
[1/2006]
|
Kubota G21LD, G21HD Workshop Manual PDF
PDF workshop manual has been prepared to provide servicing personnel with information on the mechanism, service and maintenance of G21LD and G21HD.
40$
[08/2007]
|






