John Deere 450G, 455G, 550G, 555G, 650G Crawler Technical Manual PDF
[06/2011]John Deere technical manual is your assistant in repair and maintenance for specific machines, such as the crawler dozer 450G, 455G, 550G, 555G, 650G.
John Deere technical manuals TM1404 is written for an experienced technician to provide technical information needed to maintain and repair Crawler Dozer. This is guide contain only the vital information needed for diagnosis, analysis, testing, and repair crawlers dozers.
The manual is included in thematic sections (see below complete contents) you will find recommendations for repair, step by step instructions also will help you easily and readily find the fault location and quickly eliminate it, as well as help to make planned and unscheduled maintenance of the crawler dozer.
To order this guide, you need to click "Buy Now", enter your details, and within 5-10 minutes you will receive an email with a link to download and all the recommendations for use.
Also, if you want, we can send this manual to the DVD disk by post to your address, all you have to do is pay for the delivery.
In any case - write to us, do not shy - we will answer all your questions.
Information is organized in groups for better searching and your convenience. This is quality and index file with contents in PDF format. To view the information you must have any PDF Reader. Working with these manuals, you can easily copy, save, and print the information you need. If necessary, you can print pages, pictures, charts, or the entire manual completely.
Models:
450G
455G
550G
555G
650G
CONTENTS:
- Section 00 - General Information
- Group 0001 - Safety Information
- Group 0002 - General Specifications
- Group 0003 - Torque Values
- Group 0004 - Fuels and Lubricants
- Section 01 - Tracks
- Group 0130 - Track System
- Group 0199 - Dealer Fabricated Tools
- Section 02 - Axles and Suspension Systems
- Group 0250 - Axle Shaft, Bearings, and Reduction Gears
- Group 0260 - Hydraulic System
- Group 0299 - Dealer Fabricated Tools
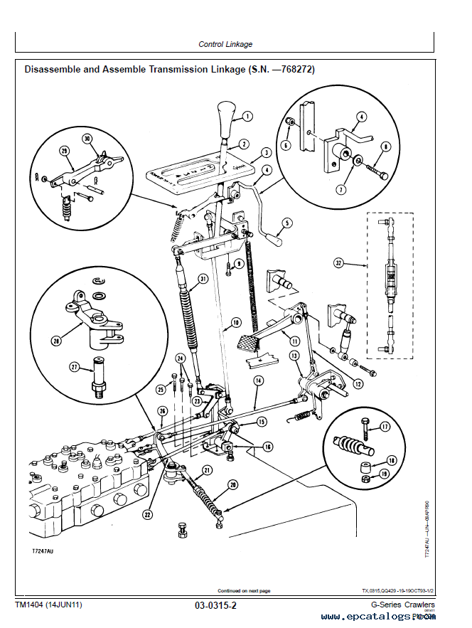
- Section 03 - Transmission
- Group 0315 - Control Linkage
- Group 0325 - Input Drive Shafts and UJoints
- Group 0350 - Gears, Shafts, Bearings and Clutch
- Group 0360 - Hydraulic System
- Group 0399 - Dealer Fabricated Tools
- Section 04 - Engine
- Group 0400 - Removal and Installation
- Section 05 - Engine Auxiliary Systems
- Group 0505 - Cold Weather Starting Aid
- Group 0510 - Cooling System
- Group 0515 - Speed Controls and Fuel Shut Off Linkage
- Group 0520 - Intake System
- Group 0560 - External Fuel Supply System
- Section 06 - Torque Converter
- Group 0600 - Removal and Installation
- Group 0651 - Turbine, Gears, and Shaft
- Section 07 - Dampener Drive
- Group 0700 - Removal and Installation
- Section 09 - Steering Systems
- Group 0920 - Power Steering Linkage
- Group 0960 - Hydraulic System
- Section 16 - Electrical System
- Group 1671 - Batteries, Support, and Cables
- Group 1672 - Alternator, Regulator, and Charging System Wiring
- Group 1673 - Lighting System
- Group 1674 - Wiring Harness and Switches
- Group 1676 - Instruments and Indicators
- Group 1677 - Motors and Actuators
- Section 17 - Frames, Chassis, or Supporting Structure
- Group 1740 - Frame Installation
- Group 1749 - Chassis Weights
- Group 1799 - Dealer Fabricated Tools
- Section 18 - Operator’s Station
- Group 1800 - Removal and Installation
- Group 1821 - Seat and Seat Belt
- Section 19 - Sheet Metal and Styling
- Group 1910 - Hood and Engine Enclosure
- Group 1913 - Miscellaneous Guards
- Group 1921 - Grille and Grille Housing
- Group 1927 - Fenders
- Section 20 - Safety, Convenience and Miscellaneous
- Group 2004 - Horn and Warning Devices
- Section 21 - Main Hydraulic System
- Group 2160 - Hydraulic System
- Section 31 - Loader
- Group 3102 - Bucket
- Group 3115 - Controls Linkage
- Group 3140 - Frames
- Group 3160 - Hydraulics
- Section 32 - Bulldozer
- Group 3201 - Blades
- Group 3215 - Controls Linkage
- Group 3240 - Frames
- Group 3260 - Hydraulic System
- Section 33 - Backhoe
- Group 3300 - Removal and Installation
- Group 3302 - Buckets
- Group 3315 - Controls Linkage
- Group 3340 - Frames
- Group 3360 - Hydraulic
Screenshots for John Deere 450G, 455G, 550G, 555G, 650G Crawler Technical Manual PDF:
Our company provides for sale original spare part catalogs, workshop manuals, diagnostic software for all models of engines, cars, trucks, buses, forklifts, tractors, harvesters, cranes, buldozers, generators, construction and agricultural machines, motorcycles. To purchase a catalog online, please add the product to your cart, fill in the contact form online. Our managers proceed your order the same day.
Related products for John Deere 450G, 455G, 550G, 555G, 650G Crawler Technical Manual PDF:
John Deere Service Advisor AG & CF 5.4.84 [03.2026] Technical manuals & Diagnostic Software
John Deere Service Advisor 5.4 (03/2026) for Agricultural & Construction equipment offline — order now!
999$
[03/2026]
|
John Deere USB-Link 3 Wireless Machine Interface
This is the John Deere USB-Link 3 Wireless Machine Interface. It is the latest adapter from John Deere, replacing the John Deere EDL v3.
1699$
[2025]
|
![]() John Deere Service Advisor 5.4.84 (replaces 5.3) 2026 Offline Agriculture & Turf Equipment Division
This is the latest John Deere Service Advisor 5.4.84 (03/2026) for Agricultural equipment — order now for easy remote installation and dedicated support.
499$
[03/2026]
|
![]() John Deere Service Advisor 5.4.44 (replaces 5.3) Offline 2025 Construction and Forestry Equipment
Shop the latest version of JDSA 5.4 2025 Construction or Agricultural equipment online. The ultimate solution for JD technicians. Available for download!
499$
[06/2025]
|




