Hyundai Crawler Excavator R290LC-7A Service Manual PDF
[2014]This PDF Service Manual includes repair and service instructions, service and troubleshooting information, schematics, and circuits for the Hyundai Crawler Excavator R290LC-7 Model. This technical guide will help you to remove all the existing faults with your equipment.
This technical service manual includes detailed descriptions of the operation and maintenance procedures, troubleshooting information, assembly and disassembly instructions, inspection and adjustment, precautions and special operating instructions, technical specifications.
The information on troubleshooting, servicing the list of specifications, torque, inspection and adjustment, removal and installation, and maintenance, which cover procedures, precautions, plant specifications, and limits.
In order to work with this tutorial, you can use Adobe Acrobat Reader or Google Chrome browser. Before buying, you can study this manual with a preview. To do this, just go to those from the link above 'Hyundai pdf manual instant preview'. You can also preview information about the contents of the manual in the list of content, which is presented below.
Models covered:
R290LC-7A
Contents:
Section 1 - General
Group 1 - Safety Hints
Group 2 - Specifications
Section 2 - Structure
Group 1 - Pump Device
Group 2 - Main Control Valve
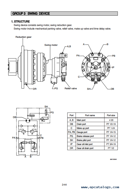
Group 3 - Swing Device
Group 4 - Travel Device
Group 5 - RCV Lever
Group 6 - RCV Pedal
Section 3 - Hydraulic System
Group 1 - Hydraulic Circuit
Group 2 - Main Circuit
Group 3 - Pilot Circuit
Group 4 - Single Operation
Group 5 - Combined Operation
Section 4 - Electrical System
Group 1 - Component Location
Group 2 - Electrical Circuit
Group 3 - Monitoring System
Group 4 - Electrical Component Specification
Group 5 - Connectors
Section 5 - Mechatronics System
Group 1 - Outline
Group 2 - Mode Selection System
Group 3 - Automatic Deceleration System
Group 4 - Power Boost System
Group 5 - Travel Speed Control System
Group 6 - Automatic Warming Up Function
Group 7 - Engine Overheat Prevention Function
Group 8 - Anti-Restart System
Group 9 - Self-Diagnostic System
Group 10 - Engine Control System
Group 11 - EPPR (Electro Proportional Pressure Reducing) Valve
Group 12 - Monitoring System
Section 6 - Troubleshooting
Group 1 - Before Troubleshooting
Group 2 - Hydraulic and Mechanical System
Group 3 - Electrical System
Group 4 - Mechatronics System
Section 7 - Maintenance Standard
Group 1 - Operating Performance Test
Group 2 - Major Components
Group 3 - Track and Work Equipment
Section 8 - Disassembly and Assembly
Group 1 - Precaution
Group 2 - Tightening Torque
Group 3 - Pump Device
Group 4 - Main Control Valve
Group 5 - Swing Device
Group 6 - Travel Device
Group 7 - RCV Lever
Group 8 - Turning Joint
Group 9 - Boom, Arm, Bucket Cylinder
Group 10 - Undercarriage
Group 11 - Work Equipment
Section 9 - Component Mounting Torque
Group 1 - Introduction Guide
Group 2 - Engine System
Group 3 - Electric System
Group 4 - Hydraulic System
Group 5 - Undercarriage
Group 6 - Structure
Group 7 - Work Equipment
Screenshots for Hyundai Crawler Excavator R290LC-7A Service Manual PDF:
Our company provides for sale original spare part catalogs, workshop manuals, diagnostic software for all models of engines, cars, trucks, buses, forklifts, tractors, harvesters, cranes, buldozers, generators, construction and agricultural machines, motorcycles. To purchase a catalog online, please add the product to your cart, fill in the contact form online. Our managers proceed your order the same day.
Related products for Hyundai Crawler Excavator R290LC-7A Service Manual PDF:
VMWare Microcat V6 Hyundai Parts Catalog 03/2026 WorldWide
The VMWare Hyundai Microcat V6 03/2026 OEM Parts Catalog is intended for Hyundai cars and components and contains information for the model range of trucks and buses of this brand.
150$
[03/2026]
|
HYUNDAI USA CANADA Snap-On EPC [01.2021] Spare Parts Catalog
Spare Parts Catalog Hyundai is a complete set of original spare parts for the vehicle company Hyundai in the USA and Canada region.
150$
[01/2021]
|
Hyundai Microcat V6 03/2026 OEM Parts Catalog (With Flash Player Hotfix)
Hyundai Microcat V6 03/2026 OEM Parts Catalog is intended for Hyundai vehicles, trucks, and buses. The application covers all regions except the domestic market. The parts manual is a Windows desktop application. You can get it with Digital Download or worldwide shipping on a DVD set.
150$
[03/2026]
|
Hyundai & Kia Korea 2020 Parts Catalog Domestic Market
Hyundai & Kia Korea 2019 is a catalog of parts and accessories for vehicles of Hyundai and Kia, presented for the domestic Korean market.
100$
[01/2020]
|





