Hitachi UH801 Excavator Service Manual PDF
[]Service manual includes repair and maintenance information, detailed description of service and repair procedures, special instructions for Hitachi excavator UH801.
This service manual includes illustrations (photos), pictures, diagrams, which help to get a detailed description with pictures of all the systems of Hitachi excavator.
This manual was created to assist owners of HItachi excavator, in all matters relating to the repair, maintenance, troubleshoot problems machinery.
This service manual comes in PDF format. We recommend to use Adobe PDF Reader, to be sure all images / graphics will display correctly.
CONTENTS:
UH801 SPECIFICATIONS
1. ENGINE
2. RADIATOR
3. OIL COOLER
4. MAIN PUMP
5. PILOT PUMP
6. LUBRICATION PUMP
7. PILOT VALVE (FOR BOOM, TILT)
8. PILOT VALVE (FOR TRAVEL)
9. PILOT VALVE (FOR SWING, ARM)
10. PILOT VALVE (FOR BUCKET)
11. MAIN CONTROL VALVE
12. MAIN CONTROL VALVE (FOR SWING)
13. BRAKE VALVE (FOR TRAVEL)
14. BRAKE VALVE (FOR SWING)
15. CHANGE VALVE (FOR PARKING BRAKE, TRAVEL SPEED CHANGE)
16. SWITCH VALVE A
17. SWITCH VALVE B
18. PREFERENCE VALVE A
19. PREFERENCE VALVE B
20. PREFERENCE VALVE C, D
21. SHUTTLE VALVE A
22. SHUTTLE VALVE B
23. CHECK VALVE (FOR MAIN PUMP DELIVERY)
24. RELIEF VALVE (FOR BUCKET CLOSE CIRCUIT)
25. RELIEF VALVE (FOR TRACK LINK ADJUSTER)
26. REDUCING VALVE (FOR TRACK LINK ADJUSTER)
27. CHECK VALVE (FOR TRACK LINK ADJUSTER)
28. RELIEF VALVE (FOR PILOT CONTROL CIRCUIT)
29. TRAVEL MOTOR
30. SWING MOTOR
31. BOOM CYLINDER
32. ARM CYLINDER
33. BUCKET TILT CYLINDER (LA), BUCKET CYLINDER (B/H)
34. BUCKET BOTTOM DUMP CYLINDER (L/D)
35. LEVEL CYLINDER (L/D)
36. FULL-FLOW FILTER
37. PILOT FILTER
38. BYPASS FILTER
39. DRAIN FILTER
40. SUCTION FILTER (FOR HYDRAULIC TANK)
41. SUCTION FILTER (FOR PUMP TRANSMISSION)
42. COOLER (IN PUMP TRANSMISSION)
43. ACCUMULATOR (FOR PILOT CIRCUIT)
44. ACCUMULATOR (FOR TRACK LINK ADJUSTER)
45. ACCUMULATOR (FOR SWING ANTI-CAVITATION CIRCUIT)
46. THROTTLE VALVE (FOR TRACK LINK ADJUSTER)
47. TRACK LINK ADJUSTER CYLINDER
48. CENTER JOINT
49. HYDRAULIC TANK
50. CHANGE VALVE (FOR COMBINATION CIRCUIT)
51. THROTTLE VALVE (FOR SWING ANTI-CAVITATION CIRCUIT)
52. REDUCING VALVE (FOR SWING ANTI-CAVITATION CIRCUIT)
53. RELIEF VALVE (FOR SWING ANTI-CAVITATION CIRCUIT)
54. AIR TANK
55. AIR FILTER
56. GOVERNOR
57. AUTO-DRAIN VALVE
58. CHECK VALVE
59. SAFETY VALVE (FOR HIGH PRESSURE)
60. SAFETY VALVE (FOR LOW PRESSURE)
61. REDUCING VALVE
62. AIR SOLENOID VALVE
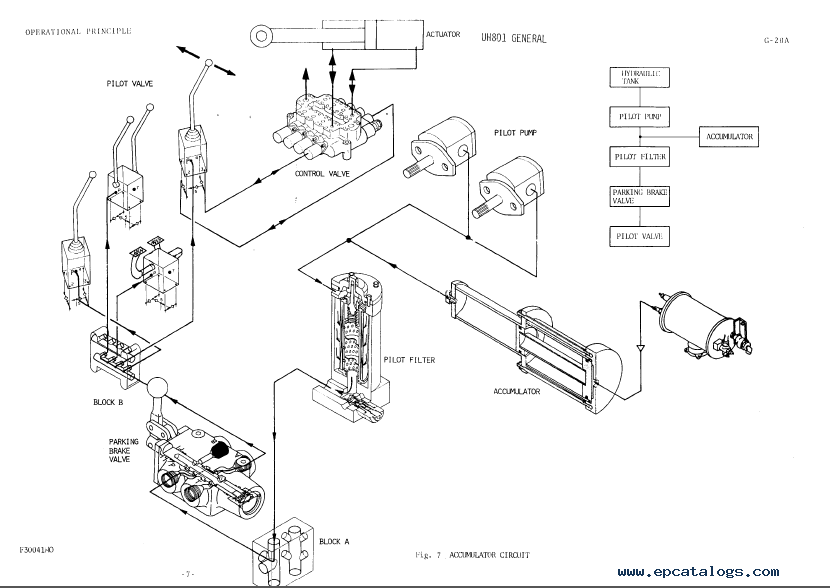
UH801 OPERATIONAL PRINCIPLE
GENERAL
ACCUMULATOR
AIR CONDITIONER
B63C BRAKE VALVE
CHECK VALVE
MVPH CONTROL VALVE
SX MOTOR
HTM500 MOTOR
IP GEAR PUMP
KVC 925 PUMP (SINGLE)
PILOT VALVE
REDUCING VALVE
TROUBLESHOOTING
UH801 DISASSEMBLY AND ASSEMBLY
ACCUMULATOR
CYLINDER
HOW TO DISASSEMBLE / ASSEMBLE HYDRAULIC EQUIPMENT
SX MOTOR
HTM500 G TYPE MOTOR
IP GEAR PUMP
KVC PLUNGER PUMP
HV TYPE PILOT PUMP
MVP25 CONTROL VALVE (FOR MAIN RELIEF AND MAKE-UP VALVE OF C/V)
JV112 CONTROL VALVE (FOR OCERLOAD RELIEF VALVE OF C/V)
UH801 MAINTENANCE STANDARDS
MAINTENANCE STANDARD
CONVERSION TABLE
Screenshots for Hitachi UH801 Excavator Service Manual PDF:
Our company provides for sale original spare part catalogs, workshop manuals, diagnostic software for all models of engines, cars, trucks, buses, forklifts, tractors, harvesters, cranes, buldozers, generators, construction and agricultural machines, motorcycles. To purchase a catalog online, please add the product to your cart, fill in the contact form online. Our managers proceed your order the same day.
Related products for Hitachi UH801 Excavator Service Manual PDF:
Hitachi Construction MaintenancePRO MPDr v4.0 Diagnostic software
Hitachi Construction Maintenance PRO MPDr v4 is available in multiple editions, including Deutz, Isuzu, Toyota, Yanmar DEDI, and Tier 3 and Tier 4 levels of diagnostic software.
250$
[07/2025]
|
John Deere Service Advisor 4.2 CF - Construction & Forestry incl. Hitachi + History DVD 2/2016
John Deere Service Advisor 4.2.005 - Construction & Forestry incl. Hitachi contains service and repair information for construction/forestry vehicles.
300$
[02/2016]
|
Hitachi PartsManager Pro 2013 Parts Manual
Hitachi PartsManager Pro 2013 is a base containing complete information on spare parts and accessories for heavy machinery of Hitachi, namely for crawlers, excavators, forestry equipment, forklifts, loaders and trucks of company Hitachi.
250$
[03/2013]
|
Fiat Hitachi FB90.2 FB100.2 FB110.2 FB200.2 4WS Workshop Manual PDF
PDF workshop manual contains technical information, service instructions, diagrams for Fiat Hitachi passenger cars, trucks, and other industrial equipment.
50$
[09/2000]
|





