Hitachi Hydraulic Excavator ZX250LC-7, ZX250LCN-7 Operational Principle Technical Manual PDF
[2020]We present the Technical Manual with helpful information, repair instructions, troubleshooting, and service recommendations specifically for the Hitachi Hydraulic Excavator ZX250LC-7, ZX250LCN-7 model. This electronic guide contains all the vital information you need for diagnosis, disassembly and assembly, testing, and repair of the transmission.
Table of Contents
INTRODUCTION
SYMBOL AND ABBREVIATION
CONTRASTING LIST OF PART NAME
SECTION AND GROUP CONTENTS
GENERAL
SYSTEM
COMPONENT OPERATION
SERVICE MANUAL REVISION REQUEST FORM
The beginner who previously had no experience in this area will also easily and quickly be able to understand and study the entire instruction if he purchases this online material. Just follow all the recommendations in this file, and you will succeed.
Features of the Manual
Format: PDF
Language: English
Pages: 479
Compatible with all versions of Windows, Mac, Linux, iPhone, iPad, and Android
The factory file includes service instructions, component operation, system section, and high-quality illustrations, diagrams and schemes to help you perform routine and preventive maintenance effectively.
FAQs
How do I download the manual?
To purchase a catalog, click Buy Now. Fill out the proposed form, and within a few minutes, a letter with all the recommendations and installation instructions will be sent to your e-mail. Please check your spam/junk folder if you don't see it in your inbox.
Is the manual printable?
Yes, all pages are printable.
Still have questions?
You can contact us if you have any questions or need our help.
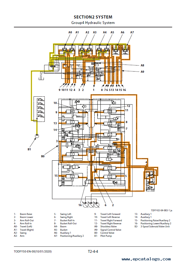
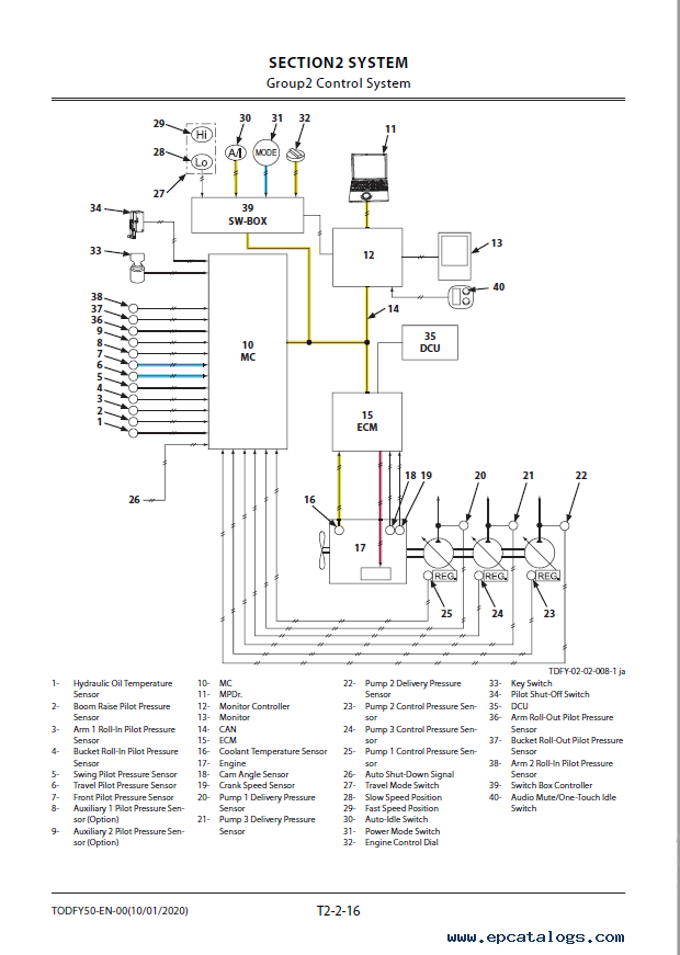
Screenshots for Hitachi Hydraulic Excavator ZX250LC-7, ZX250LCN-7 Operational Principle Technical Manual PDF:
Our company provides for sale original spare part catalogs, workshop manuals, diagnostic software for all models of engines, cars, trucks, buses, forklifts, tractors, harvesters, cranes, buldozers, generators, construction and agricultural machines, motorcycles. To purchase a catalog online, please add the product to your cart, fill in the contact form online. Our managers proceed your order the same day.
Related products for Hitachi Hydraulic Excavator ZX250LC-7, ZX250LCN-7 Operational Principle Technical Manual PDF:
Hitachi Construction MaintenancePRO MPDr v4.0 Diagnostic software
Hitachi Construction Maintenance PRO MPDr v4 is available in multiple editions, including Deutz, Isuzu, Toyota, Yanmar DEDI, and Tier 3 and Tier 4 levels of diagnostic software.
250$
[07/2025]
|
John Deere Service Advisor 4.2 CF - Construction & Forestry incl. Hitachi + History DVD 2/2016
John Deere Service Advisor 4.2.005 - Construction & Forestry incl. Hitachi contains service and repair information for construction/forestry vehicles.
300$
[02/2016]
|
Hitachi PartsManager Pro 2013 Parts Manual
Hitachi PartsManager Pro 2013 is a base containing complete information on spare parts and accessories for heavy machinery of Hitachi, namely for crawlers, excavators, forestry equipment, forklifts, loaders and trucks of company Hitachi.
250$
[03/2013]
|
Fiat Hitachi FB90.2 FB100.2 FB110.2 FB200.2 4WS Workshop Manual PDF
PDF workshop manual contains technical information, service instructions, diagrams for Fiat Hitachi passenger cars, trucks, and other industrial equipment.
50$
[09/2000]
|




