Hitachi Hydraulic Excavator Tier 4 Final Cummins engine EX5600-7B Workshop Manual PDF
[2018]Product Details
This manual is written for an experienced technician to provide technical information needed to maintain and repair this machine. The machine specification and description according to the destination may be explained in this manual. Be sure to thoroughly read this manual for correct product information and service procedures.
Information included in the Workshop Manual:
Technical information needed for maintenance and repair of the machine, tools and devices needed for maintenance and repair, maintenance standards, and removal/installation and assembly/disassembly procedures.
PART NO. WKGB91-EN-00
Table of Contents
INTRODUCTION
SYMBOL AND ABBREVIATION
SAFETY
SECTION 1 GENERAL
Group 1 Precautions for Disassembling and Assembling
Group 2 Tightening
Group 3 Painting
Group 4 Bleeding Air
Group 5 Releasing Pressure
Group 6 Preparation
SECTION 2 MAINTENANCE STANDARD
Group 1 Upperstructure
Group 2 Undercarriage
Group 3 Loader Front Attachment
SECTION 3 UPPERSTRUCTURE
Group 1 Cab
Group 2 Cab Bed
Group 3 Counterweight
Group 5 Engine Unit
Group 6 Pump Device
Group 7 Control Valve
Group 8 Other Valves
Group 9 Swing Device
Group 10 Aftertreatment Device
Group 11 Hydraulic Oil Tank
Group 12 Fuel Tank
Group 13 Lift Cylinder (Fast-Filling System)
Group 14 Lift Cylinder (Folding Stairway)
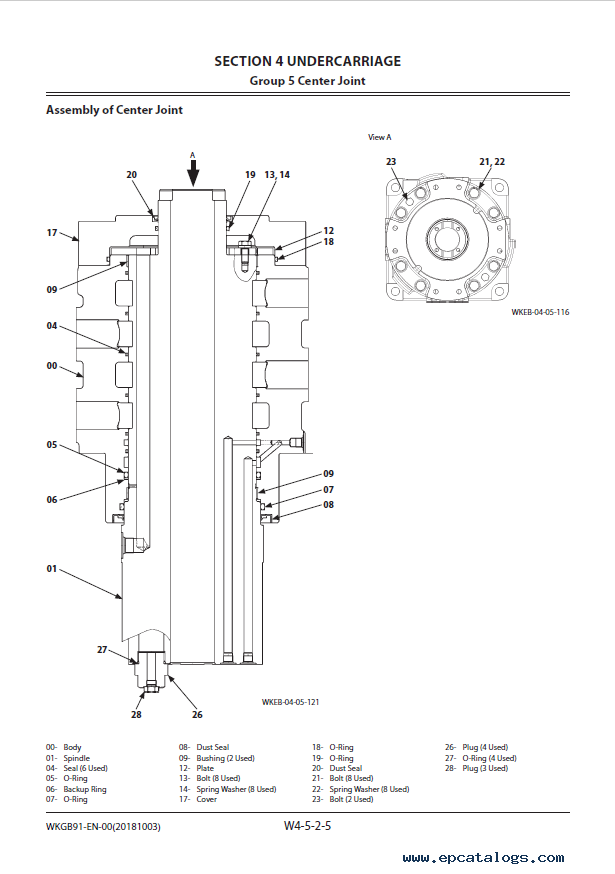
SECTION 4 UNDERCARRIAGE
Group 1 Swing Bearing
Group 2 Travel Device
Group 3 Travel Brake Valve
Group 4 Drive Tumbler
Group 5 Center Joint
Group 7 Front Idler
Group 8 Upper and Lower Rollers
Group 9 Track
Group 10 Accumulator
Group 11 Welding Repair Procedure
SECTION 5LOADER FRONT ATTACHMENT
Group 1 Front Attachment
Group 2 Cylinder
Group 3 Bushing
Group 4 Angle Sensor
Group 5 Other Valves
SERVICE MANUAL REVISION REQUEST FORM
THE ATTACHED PATTERN LIST
Format and Specifications
High-quality PDF file, 1882 pages
Digital download
Optimized for reading PDF files on desktop computers and mobile devices
Offline viewing and printing capabilities
Clear section numbers for quick navigation
English language
Delivery (Instant Download)
Our site gives you the opportunity to review and purchase the tutorial for the Hitachi Hydraulic Excavator Tier 4 Final Cummins engine EX5600-7B Model. If you decide to purchase this guide on our website, then within 5-7 minutes, you will receive an email with a link to download and further recommendations. Please check your spam/junk folder if you don't see it in your inbox. If you have any questions or comments, at if you found any errors regarding the contents of this manual, please contact us and we will help you.
Screenshots for Hitachi Hydraulic Excavator Tier 4 Final Cummins engine EX5600-7B Workshop Manual PDF:
Our company provides for sale original spare part catalogs, workshop manuals, diagnostic software for all models of engines, cars, trucks, buses, forklifts, tractors, harvesters, cranes, buldozers, generators, construction and agricultural machines, motorcycles. To purchase a catalog online, please add the product to your cart, fill in the contact form online. Our managers proceed your order the same day.
Related products for Hitachi Hydraulic Excavator Tier 4 Final Cummins engine EX5600-7B Workshop Manual PDF:
Hitachi Construction MaintenancePRO MPDr v4.0 Diagnostic software
Hitachi Construction Maintenance PRO MPDr v4 is available in multiple editions, including Deutz, Isuzu, Toyota, Yanmar DEDI, and Tier 3 and Tier 4 levels of diagnostic software.
250$
[07/2025]
|
John Deere Service Advisor 4.2 CF - Construction & Forestry incl. Hitachi + History DVD 2/2016
John Deere Service Advisor 4.2.005 - Construction & Forestry incl. Hitachi contains service and repair information for construction/forestry vehicles.
300$
[02/2016]
|
Hitachi PartsManager Pro 2013 Parts Manual
Hitachi PartsManager Pro 2013 is a base containing complete information on spare parts and accessories for heavy machinery of Hitachi, namely for crawlers, excavators, forestry equipment, forklifts, loaders and trucks of company Hitachi.
250$
[03/2013]
|
Fiat Hitachi FB90.2 FB100.2 FB110.2 FB200.2 4WS Workshop Manual PDF
PDF workshop manual contains technical information, service instructions, diagrams for Fiat Hitachi passenger cars, trucks, and other industrial equipment.
50$
[09/2000]
|





