Doosan Heavy Excavator DX340LC-3 Set Schematics of PDF Manual
[]This set schematic of PDF Manual for safety, service, troubleshooting for working heavy excavator DX340LC-3 model. To obtain maximum performance, it is very important that the equipment is properly maintained and operated. To do this, we suggest that you familiarize yourself, and it is better to study this electronic guide that will help you in operation and maintenance in order to avoid breakages, damage, injuries, and any problems with this model of the Doosan Heavy Excavator DX340LC-3.
Also, this online text includes wiring electrical instructions, schematics, and pictures, which help you to serve this equipment. To work with the tutorial, you need to install the application Adobe PDF Reader. All information in English and has 13 pages for reading. You can easily print the desired image that will help your work.
Set contains:
-Doosan Heavy Excavator DX340LC-3 - Electrical schemes;
-Doosan Heavy Excavator DX340LC-3 - Hydraulic diagrams;
-Doosan Heavy Excavator DX340LC-5 - Circuit, Diagram;
-Doosan Heavy Excavator DX340LC-5 - Hydraulic diagrams;
-Doosan Heavy Excavator DX340LCA - Electrical schemes;
-Doosan Heavy Excavator DX340LCA - Hydraulic diagrams;
-Doosan Heavy Excavator DX340LC - Electrical schemes;
-Doosan Heavy Excavator DX340LC - Hydraulic diagrams;
-Doosan Heavy Excavator DX340LC - Wiring diagrams.
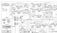
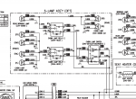
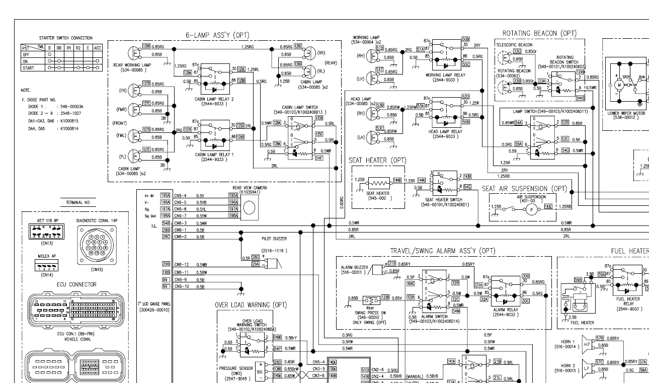
Screenshots for Doosan Heavy Excavator DX340LC-3 Set Schematics of PDF Manual:
Our company provides for sale original spare part catalogs, workshop manuals, diagnostic software for all models of engines, cars, trucks, buses, forklifts, tractors, harvesters, cranes, buldozers, generators, construction and agricultural machines, motorcycles. To purchase a catalog online, please add the product to your cart, fill in the contact form online. Our managers proceed your order the same day.
Related products for Doosan Heavy Excavator DX340LC-3 Set Schematics of PDF Manual:
Doosan E-Doctor Engine Diagnostic Software v2.3.5.8 [6.2023]
Doosan E-Doctor v2.3.5.8 is the official diagnostic software designed for comprehensive analysis, adjustment, and maintenance of Doosan engines
150$
[06/2023]
|
Daewoo G420E/G424E LPG Engine Lift Trucks Service Manual of PDF
PDF Service Manual is a directory that contains necessary material about service, step-by-step repair procedure, technical specifications.
30$
[2004]
|
Daewoo G430E/G643E LPG Engine Lift Trucks Service Manual of PDF
PDF tutorial consists of several sections about service information, description of repair and troubleshoot procedures, installation instructions.
30$
[2004]
|
Doosan B15T-5 MicroController Control Systems for Electric Lift Trucks PDF Set of Manual
PDF file includes detailed operation and maintenance information, removal and installation instructions, adjustment and cleaning information.
30$
[2005]
|




