Doosan Excavator DX380LC-3 Schemes Set of PDF Manual
[]This Schemes Set of PDF Manual is your irreplaceable assistant which helps use, maintenance, and repair for the Doosan Excavator DX380LC-3 model. The new DX380LC-3 excavator is designed to exceed customer requirements for quality, productivity, controllability, comfort, reliability, and durability, with greatly reduced overall costs. Please, read all material especially rules, recommendations, and advice, before using this equipment to avoid any damage, injuries, breakdowns, etc.
The excavator is intended to handle a broad range of applications such as heavy earthmoving, road building, civil engineering, demolition, quarrying, and large scale material-handling. Electronic text contains 11 pages in English. For work with this set, we recommend the use of Adobe PDF Reader. If you have any questions - write to us, we will answer all your questions and we will provide after-sales support.
Important note!
When using these schemes, always have the Operation and Maintenance Manual at hand for references, and be familiar with both manuals.
Set includes:
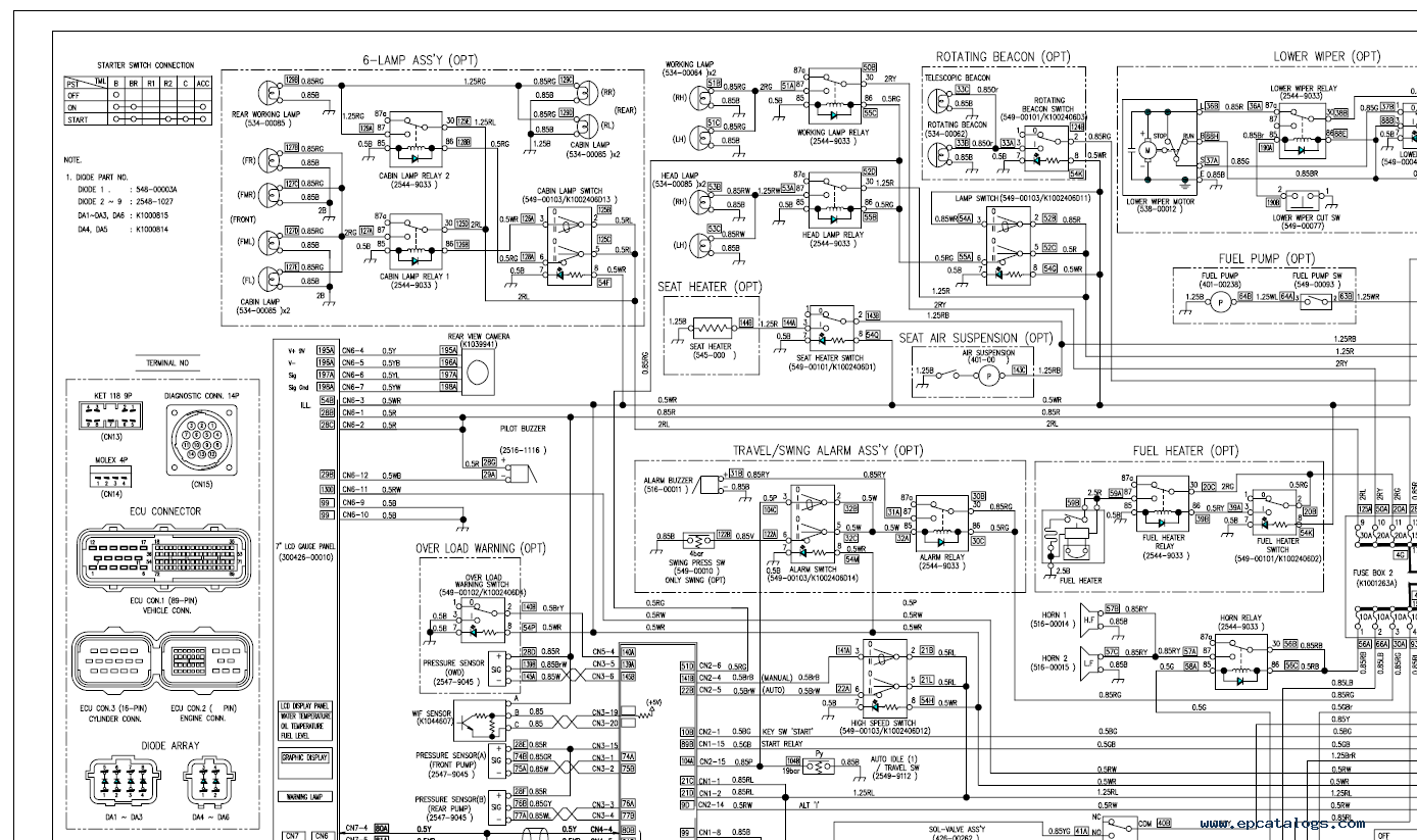
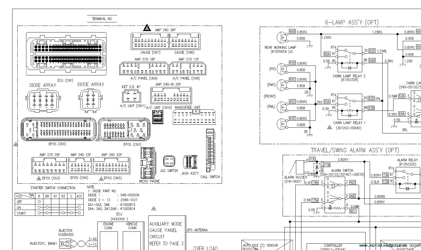
- Doosan Excavator DX380LC-3 - Сircuit, diagram;
- Doosan Excavator DX380LC-3 - Electrical schematic;
- Doosan Excavator DX380LC-3 - Сircuit, diagram (auxiliary mode);
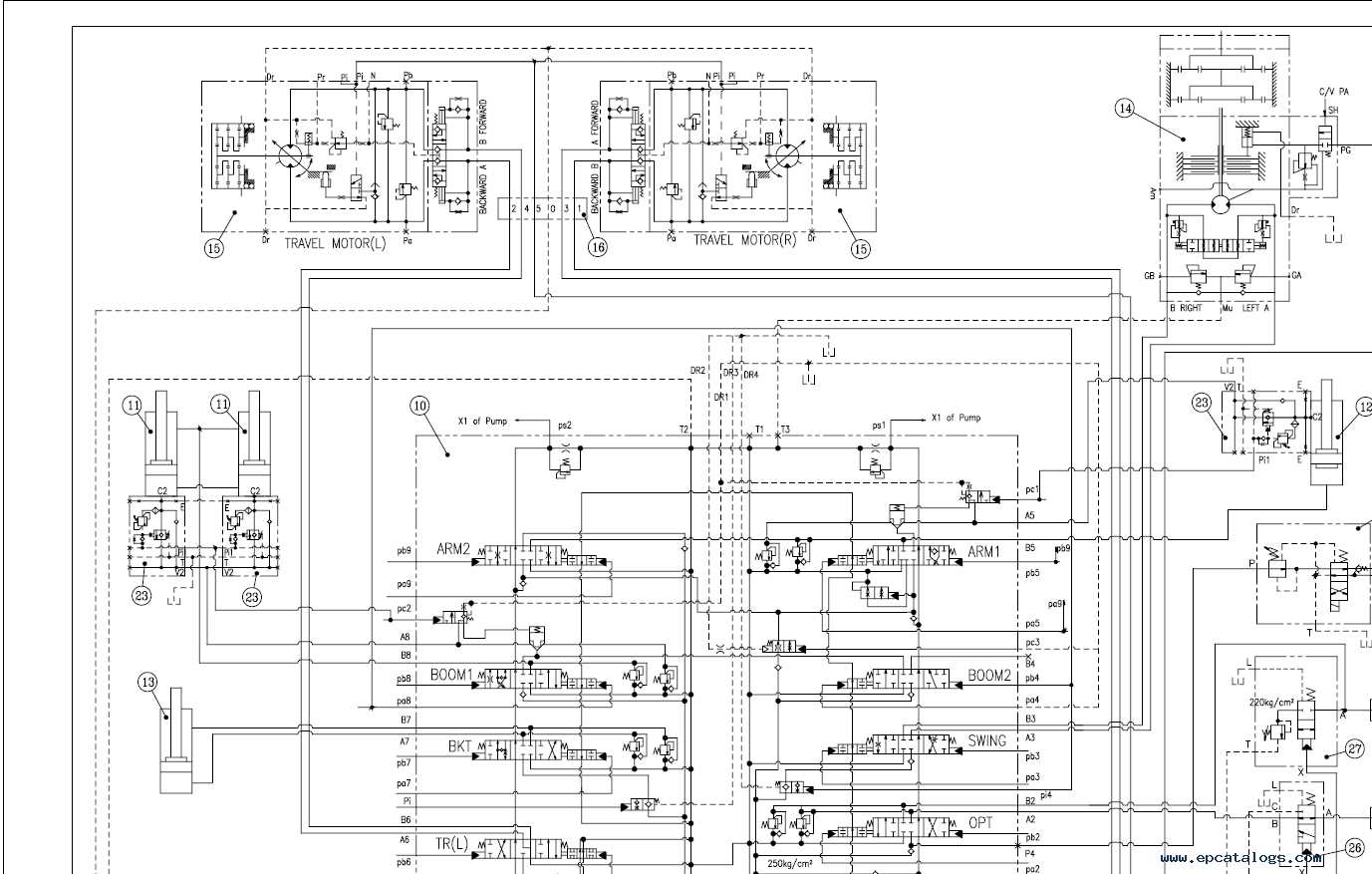
- Doosan Excavator DX380LC-3 - Hydraulic diagram;
- Doosan Excavator DX380LC-5 - Electrical schematic;
- Doosan Excavator DX380LC-5 - Hydraulic diagram;
- Doosan Excavator DX380LC - Wiring diagram;
- Doosan Excavator DX380LC - Electrical schematic;
- Doosan Excavator DX380LC - Hydraulic diagram.
Screenshots for Doosan Excavator DX380LC-3 Schemes Set of PDF Manual:
Our company provides for sale original spare part catalogs, workshop manuals, diagnostic software for all models of engines, cars, trucks, buses, forklifts, tractors, harvesters, cranes, buldozers, generators, construction and agricultural machines, motorcycles. To purchase a catalog online, please add the product to your cart, fill in the contact form online. Our managers proceed your order the same day.
Related products for Doosan Excavator DX380LC-3 Schemes Set of PDF Manual:
Doosan E-Doctor Engine Diagnostic Software v2.3.5.8 [6.2023]
Doosan E-Doctor v2.3.5.8 is the official diagnostic software designed for comprehensive analysis, adjustment, and maintenance of Doosan engines
150$
[06/2023]
|
Daewoo G420E/G424E LPG Engine Lift Trucks Service Manual of PDF
PDF Service Manual is a directory that contains necessary material about service, step-by-step repair procedure, technical specifications.
30$
[2004]
|
Daewoo G430E/G643E LPG Engine Lift Trucks Service Manual of PDF
PDF tutorial consists of several sections about service information, description of repair and troubleshoot procedures, installation instructions.
30$
[2004]
|
Doosan B15T-5 MicroController Control Systems for Electric Lift Trucks PDF Set of Manual
PDF file includes detailed operation and maintenance information, removal and installation instructions, adjustment and cleaning information.
30$
[2005]
|




