Caterpillar Lift Trucks GC35/40/45/55/60/70/K GC40/45/55/70K-STR GC45K-SWB Set of Manuals PDF
[]This set of service manuals have been prepared by experienced professionals to carefully learn and use the Caterpillar Lift Trucks models. For proper operation, high-quality repair and timely maintenance of forklifts caterpillar, we advise you to purchase these online guides. Factory information includes general information, safety section, operation and maintenance instructions, setting, special instructions for repair and maintenance, service documentation and any additional information that is presented specifically for forklifts caterpillar these models:
GC35K,
GC40K,
GC40K STR,
GC45K SWB,
GC45K STR,
GC45K,
GC55K,
GC55K STR,
GC60K,
GC70K,
GC70K STR.
All diagrams and screenshots used in these electronic tutorials are additional reference information that will help you get acquainted in detail with the text and your equipment in parts. It is essential that you read the instructions and safety regulations before you attempt to repair or use this unit. Also, you will be able to use the search function to browse the complete files and print out your needed pages.
After an instant click, you acquire this product. The download link will be emailed on specified, email within 1-10 minutes. Service manuals presented in PDF (High resolution, Bookmarked, Searchable, Printable) and compatibility Windows/Mac/Linux. You can work with this set after installing Adobe PDF Reader. We will be glad to answer any questions that may arise regarding the operation of your Lift Truck.
Serial numbers:
AT87-00001 and up
AT87A-00001-10230
AT87A-10231-20230
AT87A-20231 and up
Service manual covers:
Foreword
General Information
Cooling System
Electrical System
Power Train
Power shift Transmission
Front Axle and Reduction Differential
Rear Axle
Brake System
Steering System
Hydraulic System
Mast and Forks
Service Data
Schematics
Safety
Rear Combination Kit
Warning Lamp Kit
Working Lamp Kit
Creeper Speed Kit
Foot Directional Control Group
Engine Shutdown Kit (LPG Models Only)
Enclosed Alternator Field Kit
Disconnect Switch Kit
UL Fuel Cap Kit (Gasoline models only)
Key Kit
Back Buzzer Kit
Dual Element Air Cleaner
Dust and Foundry Kit
Back Mirror Kit
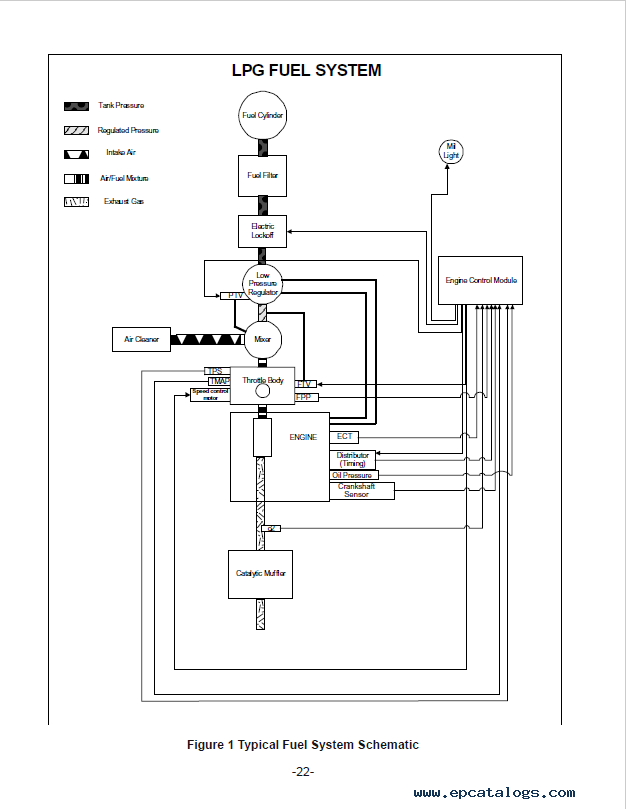
Screenshots for Caterpillar Lift Trucks GC35/40/45/55/60/70/K GC40/45/55/70K-STR GC45K-SWB Set of Manuals PDF:
Our company provides for sale original spare part catalogs, workshop manuals, diagnostic software for all models of engines, cars, trucks, buses, forklifts, tractors, harvesters, cranes, buldozers, generators, construction and agricultural machines, motorcycles. To purchase a catalog online, please add the product to your cart, fill in the contact form online. Our managers proceed your order the same day.
Related products for Caterpillar Lift Trucks GC35/40/45/55/60/70/K GC40/45/55/70K-STR GC45K-SWB Set of Manuals PDF:
![]()
Caterpillar Lift Trucks 2025 (MCFS) Asia Parts Catalog and Service Manuals
The Caterpillar Lift Trucks 2025 (MCFS Parts & Service Information Database contains information on parts and accessories, instructions, and service manuals for Caterpillar lift trucks for the Asia market.
299$
[12/2024]
|
![]()
Caterpillar Lift Trucks 2025 (MCFA) USA Parts Catalog and Service Manuals
The Caterpillar Lift Trucks 2025 (MCFA) Parts & Service Information Database contains information on parts and accessories, instructions, and service manuals for Caterpillar lift trucks for the US market.
299$
[12/2024]
|
Caterpillar ET 2026A(CAT ET 2022A, 2021B, 2020A, 2019B) Electronic Technician Diagnostic Software
Caterpillar ET 2026A (replaces CAT ET 2022, 2023C) + WinFlash and 10-bit factory password generator is software Caterpillar dealers use.
250$
[03/2026]
|
![]()
Caterpillar Lift Trucks 2025 (MCFE) Europe Parts Catalog and Service Manuals
The Caterpillar Lift Trucks 2025 (MCFE) Parts & Service Information Database contains information on parts and accessories, instructions, and service manuals for Caterpillar lift trucks for the EU market.
299$
[12/2024]
|





