Case CX225SR Crawler Excavator Repair Manual PDF
[12/2004]For proper operation, repair quality and timely maintenance of crawler excavators Case CX225SR, you should purchase this repair manual.
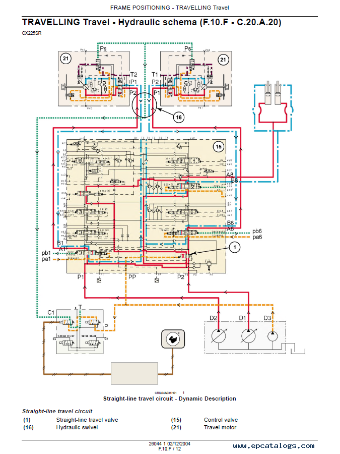
Repair manual contains detailed service and troubleshooting information, operating and maintenance instructions, special instructions for repair and maintenance, technical specifications, electrical circuits and diagrams, service documentation and other additional information that is presented specifically crawler excavators Case CX225SR.
Program is designed to work on a personal computer or laptop. The program comes in PDF. To view the installed program requires ADOBE READER
Service manual is a system of care in the operation and repair of crawler excavators Case, which allows to detect and eliminate problems and inaccuracies.
Contents:
- INTRODUCTION
- Foreword
- Safety rules
- Basic instructions
- Torque
- Dimension
- Weight
- Consumables
- Hydraulic contamination
- Product identification
- DISTRIBUTION SYSTEMS
- PRIMARY HYDRAULIC POWER SYSTEM
- HYDRAULIC COMMAND SYSTEM
- ELECTRICAL POWER SYSTEM
- LIGHTING SYSTEM
- POWER PRODUCTION
- ENGINE
- FUEL AND INJECTION SYSTEM
- AIR INTAKE SYSTEM
- EXHAUST SYSTEM
- ENGINE COOLANT SYSTEM
- LUBRICATION SYSTEM
- STARTING SYSTEM
- PTO POWER IN
- TRAVELLING
- WHEELS AND TRACKS Tracks
- BODY AND STRUCTURE
- Engine hood
- Protective shield
- Side shield
- Upper shield
- FRAME POSITIONING
- TRAVELLING Travel
- STABILISING Ballasting
- SWINGING Circular swing
- WORKING ARM
- BOOM Lift
- DIPPER Lift
- ARM TOOL ATTACHMENT Tilt
- TOOLS AND COUPLERS
- DIGGING Hammer
Configurations contained in this Service Manual:
CX225SR NA (North Model América)
CX225SR WE (Model Europe)
Screenshots for Case CX225SR Crawler Excavator Repair Manual PDF:
Our company provides for sale original spare part catalogs, workshop manuals, diagnostic software for all models of engines, cars, trucks, buses, forklifts, tractors, harvesters, cranes, buldozers, generators, construction and agricultural machines, motorcycles. To purchase a catalog online, please add the product to your cart, fill in the contact form online. Our managers proceed your order the same day.
Related products for Case CX225SR Crawler Excavator Repair Manual PDF:
New Holland Electronic Service Tool CNH EST 9.14 [2026] Engineering Diagnostic Software
The dealer software Electronic Service Tools CNH EST 9.14 update 3 (ex v9.3, v9.4, v9.5, 9.6, 9.7) with the highest engineering access Level available for download or shipping worldwide with online support!
250$
[05/2026]
|
CNH Display Codes for the Paid Features 2023 v1.1
The app generates codes for CNH displays to unlock paid features. Codes are entered through the display
3999$
[2024]
|
CNH Approval Password Generator 2023 NBV2
CNH (Case/New Holland) Generate approval passwords for Blank ECU, ECU Reassignment, and Download Crash Recovery; Supported ECU types: EDCMS62, EDC7, CNHEDC7UC31, EDC16C39.
1199$
[11/2024]
|
CNH Firmware Decrypt Encrypt Tool (FEDT) v2022.22
CNH Firmware Encrypt & Decrypt tool 2022.22 is Windows desktop software that supports decryption and encryption for *.enc and *.cre files from CNH.
999$
[12/2023]
|





