Bobcat WC-5A, WC-8A, WC-8B Chipper Service Manual PDF
[2007, 2014]The service manual contains repair and maintenance information, special repair instructions, assembly/disassembly instructions, diagrams, and charts for Bobcat Chipper WC Series. This product covers 2 PDF files for the Bobcat Chipper WC Series of 2007 and 2014 years.
Serial numbers:
WC-5A (S/N 912900101 & Above)
WC-8A (S/N 739500101 & Above)
WC-8B (S/N A02B00101 & Above)
CONTENTS:
SERIAL NUMBER LOCATION
PREVENTATIVE MAINTENANCE
ATTACHMENT STORAGE AND RETURN TO SERVICE
CHIPPER BLADES
FEED ROLLER STOP BAR ACTIVATION POINT
FEED ROLLER SUPPORT
INSPECTION
LUBRICATION
SERVICE SCHEDULE
TROUBLESHOOTING
HYDRAULIC SYSTEM
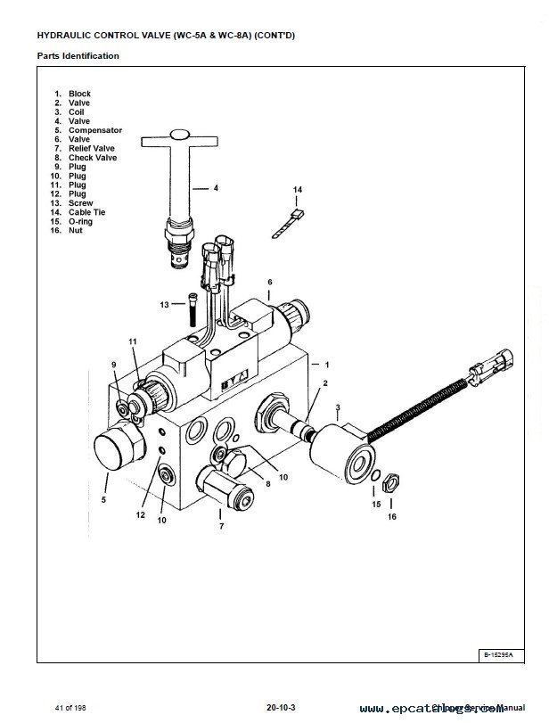
HYDRAULIC CONTROL VALVE (WC-5A & WC-8A)
HYDRAULIC CONTROL VALVE (WC-8B)
SHUT-OFF VALVE (WC-8B)
HYDRAULIC MOTOR (CHIPPER WHEEL) (WC-5A & WC-8A)
HYDRAULIC MOTOR (CHIPPER WHEEL) (WC-8B)
HYDRAULIC MOTOR (FEED ROLLER) (S/N 739500163 & BELOW)
HYDRAULIC MOTOR (FEED ROLLER)
HYDRAULIC PUMP (WC-8B)
MAIN FRAME
CHIPPER BLADES (WC-5A)
CHIPPER BLADES (WC-8A & WC-B)
CHIPPER WHEEL
FEED ROLLER CONTROL
DISCHARGE CHUTE
FEED ROLLER
FEED TABLE
REMOTE ATTACHMENT CONTROL
SPECIFICATIONS AND SCHEMATICS
ELECTRICAL SCHEMATIC
GLOSSARY OF HYDRAULIC SYMBOLS
HYDRAULIC SCHEMATIC (WC-5A & WC-8A)
HYDRAULIC SCHEMATIC (WC-8B)
LOADER REMOTE ATTACHMENT CONTROL ELECTRICAL SCHEMATIC
SPECIFICATIONS
Service instruction helps to troubleshoot and resolve any problems that arise. We advise you to read the safety rule to avoid various technical breakdowns, malfunctions, damage, and injuries. This comprehensive manual is suitable for professional technicians and novice mechanics alike.
Features of the Manual
Format: PDF
Language: English
Compatible with all versions of Windows, Mac, Linux, iPhone, iPad, and Android
Also, in this tutorial, you can find sections about preventative maintenance, specifications, hydraulic system, technical data, setting, a lot of illustrations for the Bobcat Chipper WC Series. All screenshots give you more information about your product and help you quickly understand and sort out the entire instruction clearly.
FAQs
How do I download the manual?
After completing the purchase, you will receive a download link via email. Please check your spam/junk folder if you don't see it in your inbox.
Is the manual printable?
Yes, you can be printed easily.
Still have questions?
If you have questions, please write to us on our email - we will provide you after-sales service support.
Screenshots for Bobcat WC-5A, WC-8A, WC-8B Chipper Service Manual PDF:
Our company provides for sale original spare part catalogs, workshop manuals, diagnostic software for all models of engines, cars, trucks, buses, forklifts, tractors, harvesters, cranes, buldozers, generators, construction and agricultural machines, motorcycles. To purchase a catalog online, please add the product to your cart, fill in the contact form online. Our managers proceed your order the same day.
Related products for Bobcat WC-5A, WC-8A, WC-8B Chipper Service Manual PDF:
Bobcat Parts Catalog 2004
All Bobcat production
65$
[08/2004]
|
Bobcat Telescopic Handlers Set of PDF Parts Manuals
PDF parts manuals contain parts and accessories information, detailed parts lists, illustrations and pictures for telescopic handlers Bobcat.
40$
[]
|
Bobcat S130 Skid Steer Loader Service Manual PDF
This tutorial includes step by step repair instructions, detailed diagrams and charts, safety rules, maintenance, specifications, engine service, system section.
50$
[2006. 2008, 2009 2013]
|
Bobcat Loaders
Spare parts catalog for Bobcat Loaders.
50$
[01/2005]
|




