Bobcat Planer MI Planer 18 PSL, 24 PSL Service Manual PDF
[2015]The Service Manual is presented for correct use, quality repair, technical maintenance, and also troubleshooting for Bobcat Planer MI Planer 18 PSL, 24 PSL. Electronic guide covers sections about the specification, safety rules, service procedure, setting, technical data, hydraulic system, and also many pictures, different schemes, and diagrams. All material and screenshots are provided for quick and easy familiarization and understanding of Bobcat Planer MI Planer 18 PSL, 24 PSL.
Before starting any work or procedures (service or repair) of your device, it is necessary to review the safety sections to avoid any breakdowns, malfunction, injuries, or damage. Online text is a file PDF, which contains 96 pages, any one of which can be printed easily. To view the information you need to install Adobe PDF Reader. If you have any questions or you need any more details, please write to our manager.
Serial Number:
(MI Planer 18PSL) S/N AZTD00101 & Above
(MI Planer 24PSL) S/N AZTG00101 & Above
Table of Contents:
SAFETY AND MAINTENANCE
HYDRAULIC SYSTEM
MAINFRAME
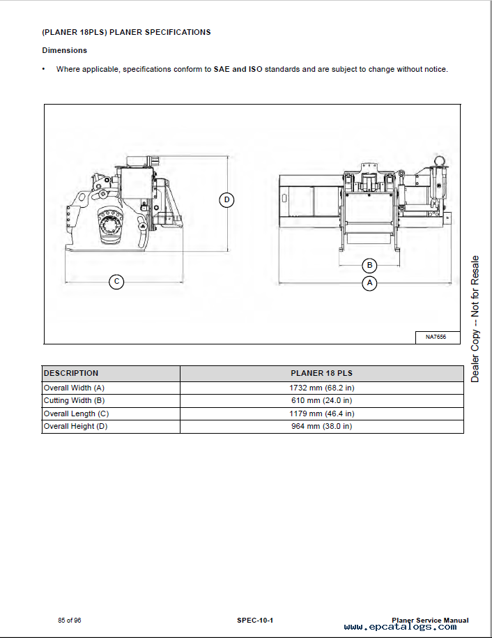
SPECIFICATIONS
ALPHABETICAL INDEX
Screenshots for Bobcat Planer MI Planer 18 PSL, 24 PSL Service Manual PDF:
Our company provides for sale original spare part catalogs, workshop manuals, diagnostic software for all models of engines, cars, trucks, buses, forklifts, tractors, harvesters, cranes, buldozers, generators, construction and agricultural machines, motorcycles. To purchase a catalog online, please add the product to your cart, fill in the contact form online. Our managers proceed your order the same day.
Related products for Bobcat Planer MI Planer 18 PSL, 24 PSL Service Manual PDF:
Bobcat Parts Catalog 2004
All Bobcat production
65$
[08/2004]
|
Bobcat Telescopic Handlers Set of PDF Parts Manuals
PDF parts manuals contain parts and accessories information, detailed parts lists, illustrations and pictures for telescopic handlers Bobcat.
40$
[]
|
Bobcat S130 Skid Steer Loader Service Manual PDF
This tutorial includes step by step repair instructions, detailed diagrams and charts, safety rules, maintenance, specifications, engine service, system section.
50$
[2006. 2008, 2009 2013]
|
Bobcat Loaders
Spare parts catalog for Bobcat Loaders.
50$
[01/2005]
|




