Bobcat 321-323 Compact Excavator Service Manual PDF
[05/2010]Bobcat service manual is intended to serve and troubleshoots 321-323 Compact Excavator. This service manual contains necessary technical information for maintenance, service, repair, and operations performed in-service workshops. The service manual contains diagrams, technical specifications, designed to improve the service of Bobcat excavators.
The service information is supplied in PDF format in English. This pdf service manual includes illustrations (photos), pictures, diagrams, which help to get a detailed description with pictures of all the systems. We recommend using Adobe PDF Reader, to be sure all images/graphics will display correctly.
It is easy to purchase this product. Just click on the 'Buy Now' button and follow the instructions. After payment, you will get the link for downloading your PDF Technical Manual. So, after a few minutes, you will get your guide and you can start studying it.
Models:
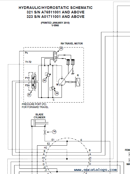
321 - S/N A76511001 & Above
323 - S/N A01711001 & Above
Contents:
FOREWORD
SAFETY INSTRUCTIONS
SERIAL NUMBER LOCATIONS
DELIVERY REPORT
BOBCAT EXCAVATOR IDENTIFICATION
SAFETY AND MAINTENANCE
HYDRAULIC SYSTEM
UNDERCARRIAGE
UPPER STRUCTURE AND SWING SECTION
ELECTRICAL SYSTEM AND ANALYSIS
ENGINE SERVICE
HEATER
SPECIFICATIONS
Screenshots for Bobcat 321-323 Compact Excavator Service Manual PDF:
Our company provides for sale original spare part catalogs, workshop manuals, diagnostic software for all models of engines, cars, trucks, buses, forklifts, tractors, harvesters, cranes, buldozers, generators, construction and agricultural machines, motorcycles. To purchase a catalog online, please add the product to your cart, fill in the contact form online. Our managers proceed your order the same day.
Related products for Bobcat 321-323 Compact Excavator Service Manual PDF:
Bobcat Parts Catalog 2004
All Bobcat production
65$
[08/2004]
|
Bobcat Telescopic Handlers Set of PDF Parts Manuals
PDF parts manuals contain parts and accessories information, detailed parts lists, illustrations and pictures for telescopic handlers Bobcat.
40$
[]
|
Bobcat S130 Skid Steer Loader Service Manual PDF
This tutorial includes step by step repair instructions, detailed diagrams and charts, safety rules, maintenance, specifications, engine service, system section.
50$
[2006. 2008, 2009 2013]
|
Bobcat Loaders
Spare parts catalog for Bobcat Loaders.
50$
[01/2005]
|




