Takeuchi Compact Excavator TB015 Workshop Manual
[06/1999]The detailed description of the manual:
This manual contains information for correct maintenance and repair for compact excavator Takeuchi TB015. The workshop manual is intended for persons who engage in operation and maintenance procedures for disassembly and reassembly of the compact excavator, check and repair procedures, maintenance reference values, troubleshooting, and specification, etc. Electrical Takeuchi workshop manual contents step by step recommendations with pictures and descriptions, schemes for electrical and hydraulic systems, technical information for assembly and disassembly and many other.
Please read the safety rules in this manual. This will help you avoid injuries in unforeseen situations, also it will extend the life of your equipment. Accordingly, anyone using service procedures, tools or parts must first completely satisfy himself that neither his safety nor the vehicle’s safety will be jeopardized by the service method selected. By purchasing this guide on our website you will save your precious time and your money, and you will remain very satisfied. It will serve you as an assistant in unforeseen emergencies where you will find answers to your questions.
This manual is a file PDF, which contains 328 pages, in the English language any one of which we can be printed easily. To work with the program you should use Adobe PDF Reader.
Models and serial number:
TB 015: 1153001
-
Contents:
- 1. General
- General Cautions
- Cautions during Disassembly and Assembly
- Cautions during Removal and Installation of the Hydraulic Units
- Cautions during Removal and Installation of Piping
- Handling of Seals
- Tightening Torques
- 2. Specifications
- Name of Components
- Specification Diagrams
- Lifting Capacities
- Specification Tables
- Weight Tables
- Fluid Capacities
- Recommended Lubricants
- Types of Crawler Belts
- Types of Attachments and Their Combinations
- Servicing Standards
- Standards for Judging Performance
- 3. Machine Configuration
- Drive System
- Slew System
- Travel System
- Upper Frame
- Control System
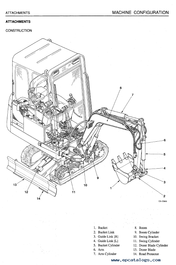
- Attachments
- Hydraulic System
- Electrical System
- 4. Hydraulic Units
- Hydraulic Pump
- Control Valve
- Control Valve (Sub)
- Pilot Valve
- Cylinder
- Travel Motor (without parking brake)
- Travel Motor (with parking brake)
- Slew Motor (without parking brake)
- Slew Motor (with parking brake)
- Swivel Joint (with selector)
- Swivel Joint (without selector)
- 5. Troubleshooting
- Overal Machine
- Machine Travel
- Slewing
- Boom
- ARM
- Bucket
- Boom Swing
- Dozer Blade
- Spanner
Screenshots for Takeuchi Compact Excavator TB015 Workshop Manual:
Our company provides for sale original spare part catalogs, workshop manuals, diagnostic software for all models of engines, cars, trucks, buses, forklifts, tractors, harvesters, cranes, buldozers, generators, construction and agricultural machines, motorcycles. To purchase a catalog online, please add the product to your cart, fill in the contact form online. Our managers proceed your order the same day.
Related products for Takeuchi Compact Excavator TB015 Workshop Manual:
Takeuchi TL150 Crawler Loader Workshop Manual PDF
PDF manual includes complete documentation of repair, designed for maintenance of compact crawler loader Takeuchi TL150 and consists of a lot of necessary pictures, different tables, instructions, and descriptions, many schemes for electrical and hydraulic systems, technical information and much other information.
50$
[06/2009]
|
Takeuchi TL140 Clawler Loader Workshop Manual PDF
This PDF manual contains a lot of useful information for the maintenance and repair of the Takeuchi TL140 crawler loader, such as complete repair documentation, maintenance instructions, disassembly and reassembly procedures, inspection and maintenance, troubleshooting and technical specifications.
50$
[06/2009]
|
Takeuchi TL130 Crawler Loader Workshop Manual PDF
PDF Workshop manual consists of a lot of necessary pictures, different tables, instructions, and descriptions, many schemes for electrical and hydraulic systems, technical information and much other information for Crawler Loader Takeuchi TL130.
50$
[06/2009]
|
Takeuchi TCR50 Dump Carrier PDF Workshop Manual
PDF manual contains all the necessary technical information and diagnostic procedures concerning the dump carrier, allowing the servicing technicians to work in safety and guarantee that the equipment remains perfectly efficient throughout its working life.
50$
[06/2009]
|




