Atlas 100.1 Crane - AK 307 AK 403c 4003c 80.1 and 100.1 Ram PDF Manual
[]PDF manual includes full service information, fitting instructions, and other additional information for cranes Atlas, such models - AK 307 AK 403c 4003c 80.1 and 100.1 Ram.
This manual includes pictures and diagrams, with which you can carry out maintenance, and troubleshoot problems.
This manual comes in PDF and includes 57 pages, which are printable. To view this information you need to install Adobe Reader (or any analog).
Contents:
Repair manual cranes Atlas
Cover
Lubrication points
MR rise Ram
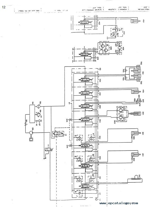
Hydraulic systems
Circuit Diagrams
Crane Layout pump drive
Control valves
The valve block
Drop Guard
Valve protection
MR stabilizer Ram
Rotary Ram
Lift Ram
Jib Rams
Tec Information AK 307
Repair manual lifting and folding of Ram
AK 403C 4003c 80,1 and 100.1 Ram repair instructions
Testing and adjustment
Electrical Systems
Screenshots for Atlas 100.1 Crane - AK 307 AK 403c 4003c 80.1 and 100.1 Ram PDF Manual:
Our company provides for sale original spare part catalogs, workshop manuals, diagnostic software for all models of engines, cars, trucks, buses, forklifts, tractors, harvesters, cranes, buldozers, generators, construction and agricultural machines, motorcycles. To purchase a catalog online, please add the product to your cart, fill in the contact form online. Our managers proceed your order the same day.
Related products for Atlas 100.1 Crane - AK 307 AK 403c 4003c 80.1 and 100.1 Ram PDF Manual:
Atlas Copco Drills DM-25SP Master Manual PDF
PDF master manual contains repair and maintenance information, operating instructions, service manuals, designed to serve drills Atlas Copco DM-25SP.
40$
[]
|
Terex Atlas Parts Catalog
Parts catalog includes parts and accessories information for machines Terex Atlas.
150$
[]
|
Terex Atlas Cranes Set of PDF Parts Manuals
PDF manuals include a lot spare parts information for cranes Terex Atlas.
100$
[]
|
Atlas Copco Rock Drills ROC L8 Drill
Atlas Copco Rock L8 Drills Spare Parts
200$
[01/2007]
|






